長城開發科技電子器件凈化工程案例
潔凈級別:百級、千級、10萬級
建筑面積:8300平方米
項目地址:深圳
中華人民共和國國家標準
通風與空調工程施工質量驗收規范
Code ofacceptance for
construction quality of ventilation and air conditioning works
GB
50243-2016
主編部門:中華人民共和國住房和城鄉建設部
批準部門:中華人民共和國住房和城鄉建設部
施行日期:2017年7月1日
中華人民共和國住房和城鄉建設部公告
第1335號
住房城鄉建設部關于發布國家標準《通風與空調工程施工質量驗收規范》的公告
現批準《通風與空調工程施工質量驗收規范》為國家標準,編號為GB
50243-2016,自2017年7月1日起實施。其中,第4.2.2、4.2.5、5.2.7、6.2.2、6.2.3、7.2.2、7.2.10、7.2.11、8.2.4、8.2.5條為強制性條文,必須嚴格執行。原《通風與空調工程施工質量驗收規范》GB
50243-2002同時廢止。
本規范由我部標準定額研究所組織中國計劃出版社出版發行。
中華人民共和國住房和城鄉建設部
2016年10月25日
前言
根據住房城鄉建設部《關于印發<2012年凈化工程建設標準規范制訂修訂計劃>的通知》(建標[2012]5號)的要求,規范編制組經廣泛調查研究,認真總結實踐經驗,參考有關國際標準和國外先進標準,并在廣泛征求意見的基礎上,修訂本規范。
本規范共分12章和5個附錄,主要內容包括:總則、術語、基本規定、風管與配件、風管部件、風管系統安裝、風機過濾單元與空氣過濾器處理設備安裝、空調用冷(熱)源與輔助設備安裝、空調水系統管道與設備安裝、防腐與絕熱、系統調試、竣工驗收等。
本規范修訂的主要技術內容是:
1.補充和完善了通風與空調凈化工程新技術、新工藝、新材料和新設備的驗收條款。
2.根據系統可獨立運行與進行功能驗證的原則,對本分部工程的子分部進行了重新劃分。
3.引入并推薦應用現行國家標準《計數抽樣檢驗程序第11部分:小總體聲稱質量水平的評定程序》GB/T
2828.11的凈化工程質量驗收批的抽樣檢驗評定方法。
4.取消了有關工程綜合性能的測定與調整的章節內容。
本規范中以黑體字標志的條文為強制性條文,必須嚴格執行。
本規范由住房城鄉建設部負責管理和對強制性條文的解釋,由上海市安裝凈化工程集團有限公司負責具體技術內容的解釋。執行過程中如有意見或建議,請寄送上海市安裝工程集團有限公司(地址:上海市塘沽路390號,郵政編碼:200080)。
本規范主編單位、參編單位、主要起草人和主要審查人:
主編單位:上海市安裝工程集團有限公司
以下規范內容由合潔科技電子凈化工程m.273588.com/進行整理編輯
1 總 則
1.0.1
為統一通風與空調凈化工程施工質量的驗收,確保凈化工程安全與質量,制定本規范。
1.0.2
本規范適用于工業與民用建筑通風與空調工程施工質量的驗收。
1.0.3 本規范應與現行國家標準《建筑工程施工質量驗收統一標準》GB
50300配合使用。
1.0.4
通風與空調工程中采用的工程技術文件、承包合同等,對工程施工質量的要求不得低于本規范的規定。
1.0.5
通風與空調過濾器工程施工質量的驗收除應符合本規范的規定外,尚應符合國家現行有關標準的規定。
2 術 語
2.0.1
通風工程 ventilation works
送風、排風、防排煙、除塵和氣力輸送系統工程的總稱。
2.0.2 空調工程 air
conditioning works
舒適性空調、恒溫恒濕空調和潔凈室空氣凈化及空氣調節系統工程的總稱。
2.0.3 風管
duct
采用金屬、非金屬薄板或其他材料制作而成,用于空氣流通的管道。
2.0.4 非金屬風管 nonmetallic
duct
采用硬聚氯乙烯、玻璃鋼等非金屬材料制成的風管。
2.0.5 復合材料風管 foil-insulant composite
duct
采用不燃材料面層,復合難燃級及以上絕熱材料制成的風管。
2.0.6 防火風管 refractory
duct
采用不燃和耐火絕熱材料組合制成,能滿足一定耐火極限時間的風管。
2.0.7 風管配件 duct
fittings
風管系統中的彎管、三通、四通、異形管、導流葉片和法蘭等構件。
2.0.8 風管部件 duct
accessory
風管系統中的各類風口、閥門、風罩、風帽、消聲器、空氣過濾器、檢查門和測定孔等功能件。
2.0.9 風道 air
channel
采用混凝土、磚等建筑材料砌筑而成,用于空氣流通的通道。
2.0.10 住宅廚房衛生間排風道 ventilating
ducts for kitch-en and
bathroom
用于排除住宅內廚房灶具產生的煙氣、衛生間產生的污濁氣體的通道。
2.0.11 風管系統工作壓力 design
working pressure
系統總風管處最大的設計工作壓力。
2.0.12 漏風量 air leakage
rate
風管系統中,在某一靜壓下通過風管本體結構及其接口,單位時間內泄出或滲入的空氣體積量。
2.0.13 系統風管允許漏風量
duct system permissible leak-age
rate
按風管系統類別所規定的平均單位表面積、單位時間內最大允許漏風量。
2.0.14 漏風率 duct system
leakage ratio
風管系統、空調設備、除塵器等,在工作壓力下空氣滲入或泄漏量與其額定風量的百分比。
2.0.15 防晃支架
jiggle protection support
防止風管或管道晃動位移的支、吊架或管架。
2.0.16 強度試驗
strength test
在規定的壓力和保壓時間內,對管路、容器、閥門等進行耐壓能力的測定與檢驗。
2.0.17 嚴密性試驗
leakage test
在規定的壓力和保壓時間內,對管路、容器、閥門等進行抗滲漏性能的測定與檢驗。
2.0.18 吸收式制冷設備
absorption refrigeration device
以熱力驅動,氨-水或水-溴化鋰為制冷工質的制冷設備。
2.0.19
空氣潔凈度等級 air cleanliness class
以單位體積空氣中,某粒徑粒子的數量來劃分的潔凈程度標準。
2.0.20 風機過濾器機組 fan filter
unit
由風機箱和高效過濾器等組成的用于潔凈空間的單元式送風機組。
2.0.21
空態 as-built
潔凈室的設施已經建成,所有動力接通并運行,但無生產設備、材料及作業人員。
2.0.22 靜態
at-rest
潔凈室的設施已經建成,生產設備已經安裝,并按業主及供應商同意的方式運行,但無生產人員。
2.0.23 動態
operation
潔凈室的設施以規定的方式運行,有規定的人員數量在場,生產設備按業主及供應商雙方商定的狀態下進行工作。
2.0.24
聲稱質量水平 declared quality level檢驗批總體中不合格品數的上限值。
3.0.5
通風與空調工程的施工應按規定的程序進行,并應與土建及其他專業工種相互配合;與通風與空調系統有關的土建工程施工完畢后,應由建設(或總承包)、監理、設計及施工單位共同會檢。會檢的組織宜由建設、監理或總承包單位負責。
3.0.6
通風與空調工程中的隱蔽工程,在隱蔽前應經監理或建設單位驗收及確認,必要時應留下影像資料。
3.0.7
通風與空調分部工程施工質量的驗收,應根據工程的實際情況按表3.0.7所列的子分部工程及所包含的分項工程分別進行。分部工程合格驗收的前提條件為工程所屬子分部工程的驗收應全數合格。當通風與空調工程作為單位工程或子單位工程獨立驗收時,其分部工程應上升為單位工程或子單位工程,子分部工程應上升為分部工程,分項工程的劃分仍應按表3.0.7的規定執行。工程質量驗收記錄應符合本規范附錄A的規定。
注:1
風管系統的末端設備包括:風機盤管機組、誘導器、變(定)風量末端、排煙風閥(口)與地板送風單元、中效過濾器、高效過濾器、風機過濾器機組,其他設備包括:消聲器、靜電除塵器、加熱器、加濕器、紫外線滅菌設備和排風熱回收器等。
2
水系統末端設備包括:輻射板盤管、風機盤管機組和空調箱內盤管和板式熱交換器等。
3
設備自控系統包括:各類溫度、壓力與流量等傳感器、執行機構、自控與智能系統設備及軟件等。
3.0.8
通風與空調工程子分部工程施工質量的驗收應根據工程實際情況按本規范表3.0.7所列的分項工程進行。子分部工程合格驗收應在所屬分項工程的驗收全數合格后進行。
3.0.9
通風與空調工程分項工程施工質量的驗收應按分項工程對應的本規范具體條文的規定執行。各個分項工程應根據施工工程的實際情況,可采用一次或多次驗收,檢驗驗收批的批次、樣本數量可根據工程的實物數量與分布情況而定,并應覆蓋整個分項工程。當分項工程中包含多種材質、施工工藝的風管或管道時,檢驗驗收批宜按不同材質進行分列。
3.0.10
檢驗批質量驗收抽樣應符合下列規定:
1
檢驗批質量驗收應按本規范附錄B的規定執行。產品合格率大于或等于95%的抽樣評定方案,應定為第Ⅰ抽樣方案(以下簡稱Ⅰ方案),主要適用于主控項目;產品合格率大于或等于85%的抽樣評定方案,應定為第Ⅱ抽樣方案(以下簡稱Ⅱ方案),主要適用于一般項目。
2
當檢索出抽樣檢驗評價方案所需的產品樣本量n超過檢驗批的產品數量N時,應對該檢驗批總體中所有的產品進行檢驗。
3
強制性條款的檢驗應采用全數檢驗方案。
3.0.11 分項工程檢驗批驗收合格質量應符合下列規定:
1
當受檢方通過自檢,檢驗批的質量已達到合同和本規范的要求,并具有相應的質量合格的無塵室施工驗收記錄時,可進行工程施工質量檢驗批質量的驗收。
2
采用全數檢驗方案檢驗時,主控項目的質量檢驗結果應全數合格;一般項目的質量檢驗結果,計數合格率不應小于85%,且不得有嚴重缺陷。
3
采用抽樣方案檢驗時,且檢驗批檢驗結果合格時,批質量驗收應予以通過;當抽樣檢驗批檢驗結果不符合合格要求時,受檢方可申請復驗或復檢。
4
質量驗收中被檢出的不合格品,無塵室均應進行修復或更換為合格品。
3.0.12 無塵室通風與空調工程施工質量的保修期限,應自竣工驗收合格日起計算兩個采暖期、供冷期。在保修期內發生施工質量問題的,施工企業應履行保修職責。
3.0.13 無塵室凈化空調系統潔凈室(區)的潔凈度等級應符合設計要求,空氣中懸浮粒子的最大允許濃度限值,應符合本規范表D.4.6-1的規定。潔凈室(區)潔凈度等級的檢測,應按本規范附錄D第D.4節的規定執行。
4 風管與配件
4.1 一般規定
4.1.1
風管質量的驗收應按材料、加工工藝、系統類別的不同分別進行,并應包括風管的材質、規格、強度、嚴密性能與成品觀感質量等項內容。
4.1.2
風管制作所用的板材、型材以及其他主要材料進場時應進行驗收,質量應符合設計要求及國家現行標準的有關規定,并應提供出廠檢驗合格證明。工程中所選用的成品風管,應提供產品合格證書或進行強度和嚴密性的現場復驗。
4.1.3
金屬風管規格應以外徑或外邊長為準,非金屬風管和風道規格應以內徑或內邊長為準。圓形風管規格宜符合表4.1.3-1的規定,矩形風管規格宜符合表4.1.3-2的規定。圓形風管應優先采用基本系列,非規則橢圓形風管應參照矩形風管,并應以平面邊長及短徑徑長為準。
4.1.4 風管系統按其工作壓力應劃分為微壓、低壓、中壓與高壓四個類別,并應采用相應類別的風管。風管類別應按表4.1.4的規定進行劃分。
4.1.5
鍍鋅鋼板及含有各類復合保護層的鋼板應采用咬口連接或鉚接,不得采用焊接連接。
4.1.6
風管的密封應以板材連接的密封為主,也可采用密封膠嵌縫與其他方法。密封膠的性能應符合使用環境的要求,密封面宜設在風管的正壓側。
4.1.7
凈化空調系統風管的材質應符合下列規定:
1
應按工程設計要求選用。當設計無要求時,宜采用鍍鋅鋼板,且鍍鋅層厚度不應小于100g/m2。
2
當生產工藝或環境條件要求采用非金屬風管時,應采用不燃材料或難燃材料,且表面應光滑、平整、不產塵、不易霉變。
4 風管與配件
4.1 一般規定
4.1.1
風管質量的驗收應按材料、加工工藝、系統類別的不同分別進行,并應包括風管的材質、規格、強度、嚴密性能與成品觀感質量等項內容。
4.1.2
風管制作所用的板材、型材以及其他主要材料進場時應進行驗收,質量應符合設計要求及國家現行標準的有關規定,并應提供出廠檢驗合格證明。工程中所選用的成品風管,應提供產品合格證書或進行強度和嚴密性的現場復驗。
4.1.3
金屬風管規格應以外徑或外邊長為準,非金屬風管和風道規格應以內徑或內邊長為準。圓形風管規格宜符合表4.1.3-1的規定,矩形風管規格宜符合表4.1.3-2的規定。圓形風管應優先采用基本系列,非規則橢圓形風管應參照矩形風管,并應以平面邊長及短徑徑長為準。
4.1.4 風管系統按其工作壓力應劃分為微壓、低壓、中壓與高壓四個類別,并應采用相應類別的風管。風管類別應按表4.1.4的規定進行劃分。
4.1.5
鍍鋅鋼板及含有各類復合保護層的鋼板應采用咬口連接或鉚接,不得采用焊接連接。
4.1.6
風管的密封應以板材連接的密封為主,也可采用密封膠嵌縫與其他方法。密封膠的性能應符合使用環境的要求,密封面宜設在風管的正壓側。
4.1.7
凈化空調系統風管的材質應符合下列規定:
1
應按工程設計要求選用。當設計無要求時,宜采用鍍鋅鋼板,且鍍鋅層厚度不應小于100g/m2。
2
當生產工藝或環境條件要求采用非金屬風管時,應采用不燃材料或難燃材料,且表面應光滑、平整、不產塵、不易霉變。
4.2 主控項目
4.2.1
風管加工質量應通過工藝性的檢測或驗證,強度和嚴密性要求應符合下列規定:
1
風管在試驗壓力保持5min及以上時,接縫處應無開裂,整體結構應無永久性的變形及損傷。試驗壓力應符合下列規定:
1)低壓風管應為1.5倍的工作壓力;
2)中壓風管應為1.2倍的工作壓力,且不低于750Pa;
3)高壓風管應為1.2倍的工作壓力。
2
矩形金屬風管的嚴密性檢驗,在工作壓力下的風管允許漏風量應符合表4.2.1的規定。
表4.2.1 風管允許漏風量
注:Q1為低壓風管允許漏風量,Qm為中壓風管允許漏風量,Qh為高壓風管允許漏風量,P為系統風管工作壓力(Pa)。
3
低壓、中壓圓形金屬與復合材料風管,以及采用非法蘭形式的非金屬風管的允許漏風量,應為矩形金屬風管規定值的50%。
4
磚、混凝土風道的允許漏風量不應大于矩形金屬低壓風管規定值的1.5倍。
5
排煙、除塵、低溫送風及變風量空調系統風管的嚴密性應符合中壓風管的規定,N1~N5級凈化空調系統風管的嚴密性應符合高壓風管的規定。
6
風管系統工作壓力絕對值不大于125Pa的微壓風管,在外觀和制造工藝檢驗合格的基礎上,不應進行漏風量的驗證測試。
7
輸送劇毒類化學氣體及病毒的實驗室通風與空調風管的嚴密性能應符合設計要求。
8
風管或系統風管強度與漏風量測試應符合本規范附錄C的規定。
檢查數量:按Ⅰ方案。
檢查方法:按風管系統的類別和材質分別進行,查閱產品合格證和測試報告,或實測旁站。
4.2.2
防火風管的本體、框架與固定材料、密封墊料等必須采用不燃材料,防火風管的耐火極限時間應符合系統防火設計的規定。
檢查數量:全數檢查。
檢查方法:查閱材料質量合格證明文件和性能檢測報告,觀察檢查與點燃試驗。
4.2.3
金屬風管的制作應符合下列規定:
1
金屬風管的材料品種、規格、性能與厚度應符合設計要求。當風管厚度設計無要求時,應按本規范執行。鋼板風管板材厚度應符合表4.2.3-1的規定。鍍鋅鋼板的鍍鋅層厚度應符合設計或合同的規定,當設計無規定時,不應采用低于80g/m2板材;不銹鋼板風管板材厚度應符合表4.2.3-2的規定;鋁板風管板材厚度應符合表4.2.3-3的規定。
表4.2.3-1 鋼板風管板材厚度
注:1
螺旋風管的鋼板厚度可按圓形風管減少10%~15%。
2 排煙系統風管鋼板厚度可按高壓系統。
3
不適用于地下人防與防火隔墻的預埋管。
表4.2.3-2 不銹鋼板風管板材厚度(mm)
表4.2.3-3 鋁板風管板材厚度(mm)
2
金屬風管的連接應符合下列規定:
1)風管板材拼接的接縫應錯開,不得有十字形拼接縫。
2)金屬圓形風管法蘭及螺栓規格應符合表4.2.3-4的規定,金屬矩形風管法蘭及螺栓規格應符合表4.2.3-5的規定。微壓、低壓與中壓系統風管法蘭的螺栓及鉚釘孔的孔距不得大于150mm;高壓系統風管不得大于100mm。矩形風管法蘭的四角部位應設有螺孔。
3)用于中壓及以下壓力系統風管的薄鋼板法蘭矩形風管的法蘭高度,應大于或等于相同金屬法蘭風管的法蘭高度。薄鋼板法蘭矩形風管不得用于高壓風管。
表4.2.3-4金屬圓形風管法蘭及螺栓規格

表4.2.3-5
金屬矩形風管法蘭及螺栓規格
3
金屬風管的加固應符合下列規定:
1)直咬縫圓形風管直徑大于或等于800mm,且管段長度大于1250mm或總表面積大于4m2時,均應采取加固措施。用于高壓系統的螺旋風管,直徑大于2000mm時應采取加固措施。
2)矩形風管的邊長大于630mm,或矩形保溫風管邊長大于800mm,管段長度大于1250mm;或低壓風管單邊平面面積大于1.2m2,中、高壓風管大于1.0m2,均應有加固措施。
3)非規則橢圓形風管的加固應按本條第2款的規定執行。
檢查數量:按Ⅰ方案。
檢查方法:尺量、觀察檢查。
4.2.4
非金屬風管的制作應符合下列規定:
1
非金屬風管的材料品種、規格、性能與厚度等應符合設計要求。當設計無厚度規定時,應按本規范執行。高壓系統非金屬風管應按設計要求。
2
硬聚氯乙烯風管的制作應符合下列規定:
1)硬聚氯乙烯圓形風管板材厚度應符合表4.2.4-1的規定,硬聚氯乙烯矩形風管板材厚度應符合表4.2.4-2的規定。
2)硬聚氯乙烯圓形風管法蘭規格應符合表4.2.4-3的規定,硬聚氯乙烯矩形風管法蘭規格應符合表4.2.4-4的規定。法蘭螺孔的間距不得大于120mm。矩形風管法蘭的四角處,應設有螺孔。
3)當風管的直徑或邊長大于500mm時,風管與法蘭的連接處應設加強板,且間距不得大于450mm。
表4.2.4-1 硬聚氯乙烯圓形風管板材厚度(mm)

表4.2.4-2
硬聚氯乙烯矩形風管板材厚度(mm)

表4.2.4-3
硬聚氯乙烯圓形風管法蘭規格

表4.2.4-4
硬聚氯乙烯矩形風管法蘭規格
3
玻璃鋼風管的制作應符合下列規定:
1)微壓、低壓及中壓系統有機玻璃鋼風管板材的厚度應符合表4.2.4-5的規定。無機玻璃鋼(氯氧鎂水泥)風管板材的厚度應符合表4.2.4-6的規定,風管玻璃纖維布厚度與層數應符合表4.2.4-7的規定,且不得采用高堿玻璃纖維布。風管表面不得出現泛鹵及嚴重泛霜。
2)玻璃鋼風管法蘭的規格應符合表4.2.4-8的規定,螺栓孔的間距不得大于120mm。矩形風管法蘭的四角處應設有螺孔。
3)當采用套管連接時,套管厚度不得小于風管板材厚度。
4)玻璃鋼風管的加固應為本體材料或防腐性能相同的材料,加固件應與風管成為整體。
表4.2.4-5 微壓、低壓、中壓有機玻璃鋼風管板材厚度(mm)

表4.2.4-6
微壓、低壓、中壓無機玻璃鋼風管板材厚度(mm)

表4.2.4-7
微壓、低壓、中壓系統無機玻璃鋼風管玻璃纖維布厚度與層數(mm)

表4.2.4-8
玻璃鋼風管法蘭規格
4
磚、混凝土建筑風道的伸縮縫,應符合設計要求,不應有滲水和漏風。
5
織物布風管在工程中使用時,應具有相應符合國家現行標準的規定,并應符合衛生與消防的要求。
檢查數量:按Ⅰ方案。
檢查方法:觀察檢查、尺量、查驗材料質量證明書、產品合格證。
4.2.5
復合材料風管的覆面材料必須采用不燃材料,內層的絕熱材料應采用不燃或難燃且對人體無害的材料。
檢查數量:全數檢查。
檢查方法:查驗材料質量合格證明文件、性能檢測報告,觀察檢查與點燃試驗。
4.2.6
復合材料風管的制作應符合下列規定:
1
復合風管的材料品種、規格、性能與厚度等應符合設計要求。復合板材的內外覆面層粘貼應牢固,表面平整無破損,內部絕熱材料不得外露。
2
鋁箔復合材料風管的連接、組合應符合下列規定:
1)采用直接黏結連接的風管,邊長不應大于500mm;采用專用連接件連接的風管,金屬專用連接件的厚度不應小于1.2mm,塑料專用連接件的厚度不應小于1.5mm。
2)風管內的轉角連接縫,應采取密封措施。
3)鋁箔玻璃纖維復合風管采用壓敏鋁箔膠帶連接時,膠帶應粘接在鋁箔面上,接縫兩邊的寬度均應大于20mm。不得采用鋁箔膠帶直接與玻璃纖維斷面相黏結的方法。
4)當采用法蘭連接時,法蘭與風管板材的連接應可靠,絕熱層不應外露,不得采用降低板材強度和絕熱性能的連接方法。中壓風管邊長大于1500mm時,風管法蘭應為金屬材料。
3
夾芯彩鋼板復合材料風管,應符合現行國家標準《建筑設計防火規范》GB
50016的有關規定。當用于排煙系統時,內壁金屬板的厚度應符合表4.2.3-1的規定。
檢查數量:按Ⅰ方案。
檢查方法:尺量、觀察檢查、查驗材料質量證明書、產品合格證。
4.2.7
凈化空調系統風管的制作應符合下列規定:
1 風管內表面應平整、光滑,管內不得設有加固框或加固筋。
2
風管不得有橫向拼接縫。矩形風管底邊寬度小于或等于900mm時,底面不得有拼接縫;大于900mm且小于或等于1800mm時,底面拼接縫不得多于1條;大于1800mm且小于或等于2700mm時,底面拼接縫不得多于2條。
3
風管所用的螺栓、螺母、墊圈和鉚釘的材料應與管材性能相適應,不應產生電化學腐蝕。
4
當空氣潔凈度等級為N1級~N5級時,風管法蘭的螺栓及鉚釘孔的間距不應大于80mm;當空氣潔凈度等級為N6級~N9級時,不應大于120mm。不得采用抽芯鉚釘。
5
矩形風管不得使用S形插條及直角形插條連接。邊長大于1000mm的凈化空調系統風管,無相應的加固措施,不得使用薄鋼板法蘭彈簧夾連接。
6
空氣潔凈度等級為N1級~N5級凈化空調系統的風管,不得采用按扣式咬口連接。
7
風管制作完畢后,應清洗。清洗劑不應對人體、管材和產品等產生危害。
檢查數量:按Ⅰ方案。
檢查方法:查閱材料質量合格證明文件和觀察檢查,白綢布擦拭。
4.3 一般項目
4.3.1
金屬風管的制作應符合下列規定:
1
金屬法蘭連接風管的制作應符合下列規定:
1)風管與配件的咬口縫應緊密、寬度應一致、折角應平直、圓弧應均勻,且兩端面應平行。風管不應有明顯的扭曲與翹角,表面應平整,凹凸不應大于10mm。
2)當風管的外徑或外邊長小于或等于300mm時,其允許偏差不應大于2mm;當風管的外徑或外邊長大于300mm時,不應大于3mm。管口平面度的允許偏差不應大于2mm;矩形風管兩條對角線長度之差不應大于3mm,圓形法蘭任意兩直徑之差不應大于3mm。
3)焊接風管的焊縫應飽滿、平整,不應有凸瘤、穿透的夾渣和氣孔、裂縫等其他缺陷。風管目測應平整,不應有凹凸大于10mm的變形。
4)風管法蘭的焊縫應熔合良好、飽滿,無假焊和孔洞。法蘭外徑或外邊長及平面度的允許偏差不應大于2mm。同一批量加工的相同規格法蘭的螺孔排列應一致,并應具有互換性。
5)風管與法蘭采用鉚接連接時,鉚接應牢固,不應有脫鉚和漏鉚現象;翻邊應平整、緊貼法蘭,寬度應一致,且不應小于6mm;咬縫及矩形風管的四角處不應有開裂與孔洞。
6)風管與法蘭采用焊接連接時,焊縫應低于法蘭的端面。除塵系統風管宜采用內側滿焊,外側間斷焊形式。當風管與法蘭采用點焊固定連接時,焊點應融合良好,間距不應大于100mm;法蘭與風管應緊貼,不應有穿透的縫隙與孔洞。
7)鍍鋅鋼板風管表面不得有10%以上的白花、鋅層粉化等鍍鋅層嚴重損壞的現象。
8)當不銹鋼板或鋁板風管的法蘭采用碳素鋼材時,材料規格應符合本規范第4.2.3條的規定,并應根據設計要求進行防腐處理;鉚釘材料應與風管材質相同,不應產生電化學腐蝕。
2
金屬無法蘭連接風管的制作應符合下列規定:
1)圓形風管無法蘭連接形式應符合表4.3.1-1的規定。矩形風管無法蘭連接形式應符合表4.3.1-2的規定。
表4.3.1-1 圓形風管無法蘭連接形式

表4.3.1-2 矩形風管無法蘭連接形式

2)矩形薄鋼板法蘭風管的接口及附件,尺寸應準確,形狀應規則,接口應嚴密;風管薄鋼板法蘭的折邊應平直,彎曲度不應大于5‰。彈性插條或彈簧夾應與薄鋼板法蘭折邊寬度相匹配,彈簧夾的厚度應大于或等于1mm,且不應低于風管本體厚度。角件與風管薄鋼板法蘭四角接口的固定應穩固緊貼,端面應平整,相連處的連續通縫不應大于2mm;角件的厚度不應小于1mm及風管本體厚度。薄鋼板法蘭彈簧夾連接風管,邊長不宜大于1500mm。當對法蘭采取相應的加固措施時,風管邊長不得大于2000mm。
3)矩形風管采用C型、S型插條連接時,風管長邊尺寸不應大于630mm。插條與風管翻邊的寬度應匹配一致,允許偏差不應大于2mm。連接應平整嚴密,四角端部固定折邊長度不應小于20mm。
4)矩形風管采用立咬口、包邊立咬口連接時,立筋的高度應大于或等于同規格風管的角鋼法蘭高度。同一規格風管的立咬口、包邊立咬口的高度應一致,折角應傾角有棱線、彎曲度允許偏差為5‰。咬口連接鉚釘的間距不應大于150mm,間隔應均勻;立咬口四角連接處補角連接件的鉚固應緊密,接縫應平整,且不應有孔洞。
5)圓形風管芯管連接應符合表4.3.1-3的規定。
表4.3.1-3 圓形風管芯管連接
注:大口徑圓形風管宜采用內脹式芯管連接。
6)非規則橢圓風管可采用法蘭與無法蘭連接形式,質量要求應符合相應連接形式的規定。
3
金屬風管的加固應符合下列規定:
1)風管的加固可采用角鋼加固、立咬口加固、楞筋加固、扁鋼內支撐、螺桿內支撐和鋼管內支撐等多種形式(圖4.3.1)。
圖4.3.1 金屬風管的加固形式

2)楞筋(線)的排列應規則,間隔應均勻,最大間距應為300mm,板面應平整,凹凸變形(不平度)不應大于10mm。
3)角鋼或采用鋼板折成加固筋的高度應小于或等于風管的法蘭高度,加固排列應整齊均勻。與風管的鉚接應牢固,最大間隔不應大于220mm;各條加箍筋的相交處,或加箍筋與法蘭相交處宜連接固定。
4)管內支撐與風管的固定應牢固,穿管壁處應采取密封措施。各支撐點之間或支撐點與風管的邊沿或法蘭間的距離應均勻,且不應大于950mm。
5)當中壓、高壓系統風管管段長度大于1250mm時,應采取加固框補強措施。高壓系統風管的單咬口縫,還應采取防止咬口縫脹裂的加固或補強措施。
檢驗數量:按Ⅱ方案。
檢驗方法:觀察和尺量檢查。
4.3.2
非金屬風管的制作除應符合本規范第4.3.1條第1款的規定外,尚應符合下列規定:
1
硬聚氯乙烯風管的制作應符合下列規定:
1)風管兩端面應平行,不應有扭曲,外徑或外邊長的允許偏差不應大于2mm。表面應平整,圓弧應均勻,凹凸不應大于5mm。
2)焊縫形式及適用范圍應符合表4.3.2-1的規定。
3)焊縫應飽滿,排列應整齊,不應有焦黃斷裂現象。
4)矩形風管的四角可采用煨角或焊接連接。當采用煨角連接時,縱向焊縫距煨角處宜大于80mm。
2
有機玻璃鋼風管的制作應符合下列規定:
1)風管兩端面應平行,內表面應平整光滑、無氣泡,外表面應整齊,厚度應均勻,且邊緣處不應有毛刺及分層現象。
2)法蘭與風管的連接應牢固,內角交界處應采用圓弧過渡。管口與風管軸線成直角,平面度的允許偏差不應大于3mm;螺孔的排列應均勻,至管口的距離應一致,允許偏差不應大于2mm。
表4.3.2-1 硬聚氯乙烯板焊縫形式及適用范圍
3)風管的外徑或外邊長尺寸的允許偏差不應大于3mm,圓形風管的任意正交兩直徑之差不應大于5mm,矩形風管的兩對角線之差不應大于5mm。
4)矩形玻璃鋼風管的邊長大于900mm,且管段長度大于1250mm時,應采取加固措施。加固筋的分布應均勻整齊。
3
無機玻璃鋼風管的制作除應符合本條第2款的規定外,尚應符合下列規定:
1)風管表面應光潔,不應有多處目測到的泛霜和分層現象;
2)風管的外形尺寸應符合表4.3.2-2的規定;
表4.3.2-2 無機玻璃鋼風管外形尺寸(mm)
3)風管法蘭制作應符合本條第2款第2項的規定。
4
磚、混凝土建筑風道內徑或內邊長的允許偏差不應大于20mm,兩對角線之差不應大于30mm;內表面的水泥砂漿涂抹應平整,且不應有貫穿性的裂縫及孔洞。
檢驗數量:按Ⅱ方案。
檢驗方法:查驗測試記錄,觀察和尺量檢查。
4.3.3
復合材料風管的制作應符合下列規定:
1 復合材料風管及法蘭的允許偏差應符合表4.3.3-1的規定。
表4.3.3-1 復合材料風管及法蘭允許偏差(mm)
2
雙面鋁箔復合絕熱材料風管的制作應符合下列規定:
1)風管的折角應平直,兩端面應平行,允許偏差應符合本條第1款的規定。
2)板材的拼接應平整,凹凸不大于5mm,無明顯變形、起泡和鋁箔破損。
3)風管長邊尺寸大于1600mm時,板材拼接應采用H形PVC或鋁合金加固條。
4)邊長大于320mm的矩形風管采用插接連接時,四角處應粘貼直角墊片,插接連接件與風管粘接應牢固,插接連接件應互相垂直,插接連接件間隙不應大于2mm。
5)風管采用法蘭連接時,風管與法蘭的連接應牢固。
6)矩形彎管的圓弧面采用機械壓彎成型制作時,軋壓深度不宜超過5mm。圓弧面成型后,應對軋壓處的鋁箔劃痕密封處理。
7)聚氨酯鋁箔復合材料風管或酚醛鋁箔復合材料風管,內支撐加固的鍍鋅螺桿直徑不應小于8mm,穿管壁處應進行密封處理。聚氨酯(酚醛)鋁箔復合材料風管內支撐加固的設置應符合表4.3.3-2的規定。
3
鋁箔玻璃纖維復合材料風管除應符合本條第1款的規定外,尚應符合下列規定:
1)風管的離心玻璃纖維板材應干燥平整,板外表面的鋁箔隔氣保護層與內芯玻璃纖維材料應黏合牢固,內表面應有防纖維脫落的保護層,且不得釋放有害物質。
表4.3.3-2 聚氨酯(酚醛)鋁箔復合材料風管內支撐加固的設置
2)風管采用承插階梯接口形式連接時,承口應在風管外側,插口應在風管內側,承、插口均應整齊,插入深度應大于或等于風管板材厚度。插接口處預留的覆面層材料厚度應等同于板材厚度,接縫處的粘接應嚴密牢固。
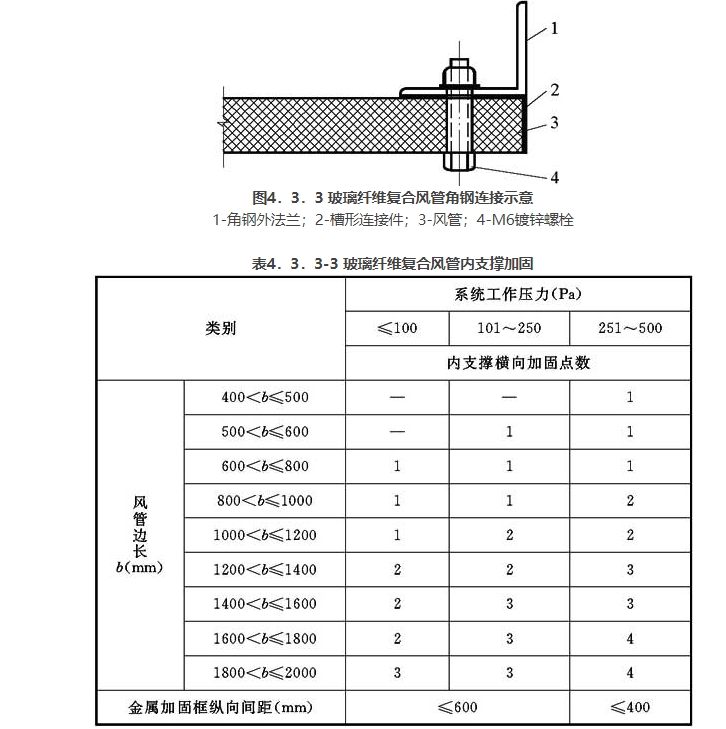
3)風管采用外套角鋼法蘭連接時,角鋼法蘭規格可為同尺寸金屬風管的法蘭規格或小一檔規格。槽形連接件應采用厚度不小于1mm的鍍鋅鋼板。角鋼外套法蘭與槽形連接件的連接,應采用不小于M6的鍍鋅螺栓(圖4.3.3),螺栓間距不應大于120mm。法蘭與板材間及螺栓孔的周邊應涂膠密封。
4)鋁箔玻璃纖維復合風管內支撐加固的鍍鋅螺桿直徑不應小于6mm,穿管壁處應采取密封處理。正壓風管長邊尺寸大于或等于1000mm時,應增設外加固框。外加固框架應與內支撐的鍍鋅螺桿相固定。負壓風管的加固框應設在風管的內側,在工作壓力下其支撐的鍍鋅螺桿不得有彎曲變形。風管內支撐的加固應符合表4.3.3-3的規定。
圖4.3.3 玻璃纖維復合風管角鋼連接示意

1-角鋼外法蘭;2-槽形連接件;3-風管;4-M6鍍鋅螺栓
表4.3.3-3
玻璃纖維復合風管內支撐加固
4
機制玻璃纖維增強氯氧鎂水泥復合板風管除應符合本條第1款的規定外,尚應符合下列規定:
1)矩形彎管的曲率半徑和分節數應符合表4.3.3-4的規定。
表4.3.3-4 矩形彎管的曲率半徑和分節數
注:當b與曲率半徑為大值時,彎管的中節數可參照圓形風管彎管的規定,適度增加。
2)風管板材采用對接粘接時,在對接縫的兩面應分別粘貼3層及以上,寬度不應小于50mm的玻璃纖維布增強。
3)粘接劑應與產品相匹配,且不應散發有毒有害氣體。
4)風管內加固用的鍍鋅支撐螺桿直徑不應小于10mm,穿管壁處應進行密封。風管內支撐橫向加固應符合表4.3.3-5的規定,縱向間距不應大于1250mm。當負壓系統風管的內支撐高度大于800mm時,支撐桿應采用鍍鋅鋼管。
檢查數量:按Ⅱ方案。
檢查方法:查閱測試資料、尺量、觀察檢查。
4.3.4
凈化空調系統風管除應符合本規范第4.3.1條的規定外,尚應符合下列規定:
1 咬口縫處所涂密封膠宜在正壓側。
2
鍍鋅鋼板風管的咬口縫、折邊和鉚接等處有損傷時,應進行防腐處理。
3
鍍鋅鋼板風管的鍍鋅層不應有多處或10%表面積的損傷、粉化脫落等現象。
4
風管清洗達到清潔要求后,應對端部進行密閉封堵,并應存放在清潔的房間。
5
凈化空調系統的靜壓箱本體、箱內高效過濾器的固定框架及其他固定件應為鍍鋅、鍍鎳件或其他防腐件。
檢查數量:按Ⅱ方案。
檢驗方法:觀察檢查。
4.3.5
圓形彎管的曲率半徑和分節數應符合表4.3.5的規定。圓形彎管的彎曲角度及圓形三通、四通支管與總管夾角的制作偏差不應大于3°。
表4.3.5 圓形彎管的曲率半徑和分節數
檢驗數量:按Ⅱ方案。
檢驗方法:觀察和尺量檢查。
4.3.6
矩形風管彎管宜采用曲率半徑為一個平面邊長,內外同心弧的形式。當采用其他形式的彎管,且平面邊長大于500mm時,應設彎管導流片。
檢驗數量:按Ⅱ方案。
檢驗方法:觀察和尺量檢查。
4.3.7
風管變徑管單面變徑的夾角不宜大于30°,雙面變徑的夾角不宜大于60°。圓形風管支管與總管的夾角不宜大于60°。
檢查數量:按Ⅱ方案。
檢查方法:尺量及觀察檢查。
4.3.8
防火風管的制作應符合下列規定:
1 防火風管的口徑允許偏差應符合本規范第4.3.1條的規定。
2
采用型鋼框架外敷防火板的防火風管,框架的焊接應牢固,表面應平整,偏差不應大于2mm。防火板敷設形狀應規整,固定應牢固,接縫應用防火材料封堵嚴密,且不應有穿孔。
3
采用在金屬風管外敷防火絕熱層的防火風管,風管嚴密性要求應按本規范第4.2.1條中有關壓金屬風管的規定執行。防火絕熱層的設置應按本規范第10章的規定執行。
檢查數量:按Ⅱ方案。
檢查方法:尺量及觀察檢查。
5.2 主控項目
5.2.1
風管部件材料的品種、規格和性能應符合設計要求。
檢查數量:按Ⅰ方案。
檢查方法:觀察、尺量、檢查產品合格證明文件。
5.2.2
外購風管部件成品的性能參數應符合設計及相關技術文件的要求。
檢查數量:按Ⅰ方案。
檢查方法:觀察檢查、檢查產品技術文件。
5.2.3
成品風閥的制作應符合下列規定:
1 風閥應設有開度指示裝置,并應能準確反映閥片開度。
2
手動風量調節閥的手輪或手柄應以順時針方向轉動為關閉。
3
電動、氣動調節閥的驅動執行裝置,動作應可靠,且在最大工作壓力下工作應正常。
4
凈化空調系統的風閥,活動件、固定件以及緊固件均應采取防腐措施,風閥葉片主軸與閥體軸套配合應嚴密,且應采取密封措施。
5
工作壓力大于1000Pa的調節風閥,生產廠應提供在1.5倍工作壓力下能自由開關的強度測試合格的證書或試驗報告。
6
密閉閥應能嚴密關閉,漏風量應符合設計要求。
檢查數量:按Ⅰ方案。
檢查方法:觀察、尺量、手動操作、查閱測試報告。
5.2.4
防火閥、排煙閥或排煙口的制作應符合現行國家標準《建筑通風和排煙系統用防火閥門》GB
15930的有關規定,并應具有相應的產品合格證明文件。
檢查數量:全數檢查。
檢查方法:觀察、尺量、手動操作,查閱產品質量證明文件。
5.2.5
防爆系統風閥的制作材料應符合設計要求,不得替換。
檢查數量:全數檢查。
檢查方法:觀察檢查、尺量檢查、檢查材料質量證明文件。
5.2.6
消聲器、消聲彎管的制作應符合下列規定:
1 消聲器的類別、消聲性能及空氣阻力應符合設計要求和產品技術文件的規定。
2
矩形消聲彎管平面邊長大于800mm時,應設置吸聲導流片。
3
消聲器內消聲材料的織物覆面層應平整,不應有破損,并應順氣流方向進行搭接。
4
消聲器內的織物覆面層應有保護層,保護層應采用不易銹蝕的材料,不得使用普通鐵絲網。當使用穿孔板保護層時,穿孔率應大于20%。
5
凈化空調系統消聲器內的覆面材料應采用尼龍布等不易產塵的材料。
6
微穿孔(縫)消聲器的孔徑或孔縫、穿孔率及板材厚度應符合產品設計要求,綜合消聲量應符合產品技術文件要求。
檢查數量:按Ⅰ方案。
檢查方法:觀察、尺量、查閱性能檢測報告和產品質量合格證。
5.2.7
防排煙系統的柔性短管必須采用不燃材料。
檢查數量:全數檢查。
檢查方法:觀察檢查、檢查材料燃燒性能檢測報告。
5.3 一般項目
5.3.1
風管部件活動機構的動作應靈活,制動和定位裝置動作應可靠,法蘭規格應與相連風管法蘭相匹配。
檢查數量:按Ⅱ方案。
檢查方法:觀察檢查、手動操作、尺量檢查。
5.3.2
風閥的制作應符合下列規定:
1
單葉風閥的結構應牢固,啟閉應靈活,關閉應嚴密,與閥體的間隙應小于2mm。多葉風閥開啟時,不應有明顯的松動現象;關閉時,葉片的搭接應貼合一致。截面積大于1.2m2的多葉風閥應實施分組調節。
2
止回閥閥片的轉軸、鉸鏈應采用耐銹蝕材料。閥片在最大負荷壓力下不應彎曲變形,啟閉應靈活,關閉應嚴密。水平安裝的止回閥應有平衡調節機構。
3
三通調節風閥的手柄轉軸或拉桿與風管(閥體)的結合處應嚴密,閥板不得與風管相碰擦,調節應方便,手柄與閥片應處于同一轉角位置,拉桿可在操控范圍內作定位固定。
4
插板風閥的閥體應嚴密,內壁應做防腐處理。插板應平整,啟閉應靈活,并應有定位固定裝置。斜插板風閥閥體的上、下接管應成直線。
5
定風量風閥的風量恒定范圍和精度應符合工程設計及產品技術文件要求。
6 風閥法蘭尺寸允許偏差應符合表5.3.2的規定。
表5.3.2 風閥法蘭尺寸允許偏差(mm)
檢查數量:按Ⅱ方案。
檢查方法:觀察檢查、手動操作、尺量檢查。
5.3.3
風罩的制作應符合下列規定:
1 風罩的結構應牢固,形狀應規則,表面應平整光滑,轉角處弧度應均勻,外殼不得有尖銳的邊角。
2
與風管連接的法蘭應與風管法蘭相匹配。
3 廚房排煙罩下部集水槽應嚴密不漏水,并應坡向排放口。罩內安裝的過濾器應便于拆卸和清洗。
4
槽邊側吸罩、條縫抽風罩的尺寸應正確,吸口應平整。罩口加強板間距應均勻。
檢查數量:按Ⅱ方案。
檢查方法:觀察檢查、手動操作、尺量檢查。
5.3.4
風帽的制作應符合下列規定:
1 風帽的結構應牢固,形狀應規則,表面應平整。
2
與風管連接的法蘭應與風管法蘭相匹配。
3 傘形風帽傘蓋的邊緣應采取加固措施,各支撐的高度尺寸應一致。
4
錐形風帽內外錐體的中心應同心,錐體組合的連接縫應順水,下部排水口應暢通。
5
筒形風帽外筒體的上下沿口應采取加固措施,不圓度不應大于直徑的2%。傘蓋邊緣與外筒體的距離應一致,擋風圈的位置應準確。
6
旋流型屋頂自然通風器的外形應規整,轉動應平穩流暢,且不應有碰擦音。
檢查數量:按Ⅱ方案。
檢查方法:觀察檢查、手動操作、尺量檢查。
5.3.5
風口的制作應符合下列規定:
1 風口的結構應牢固,形狀應規則,外表裝飾面應平整。
2
風口的葉片或擴散環的分布應勻稱。
3 風口各部位的顏色應一致,不應有明顯的劃傷和壓痕。調節機構應轉動靈活、定位可靠。
4
風口應以頸部的外徑或外邊長尺寸為準,風口頸部尺寸應符合表5.3.5的規定。
表5.3.5 風口頸部尺寸允許偏差(mm)
檢查數量:按Ⅱ方案。
檢查方法:觀察檢查、手動操作、尺量檢查。
5.3.6
消聲器和消聲靜壓箱的制作應符合下列規定:
1 消聲材料的材質應符合工程設計的規定,外殼應牢固嚴密,不得漏風。
2
阻性消聲器充填的消聲材料,體積密度應符合設計要求,鋪設應均勻,并應采取防止下沉的措施。片式阻性消聲器消聲片的材質、厚度及片距,應符合產品技術文件要求。
3
現場組裝的消聲室(段),消聲片的結構、數量、片距及固定應符合設計要求。
4
阻抗復合式、微穿孔(縫)板式消聲器的隔板與壁板的結合處應緊貼嚴密;板面應平整、無毛刺,孔徑(縫寬)和穿孔(開縫)率和共振腔的尺寸應符合國家現行標準的有關規定。
5
消聲器與消聲靜壓箱接口應與相連接的風管相匹配,尺寸的允許偏差應符合本規范表5.3.2的規定。
檢查數量:按Ⅱ方案。
檢查方法:觀察檢查、尺量檢查、查驗材質證明書。
5.3.7
柔性短管的制作應符合下列規定:
1 外徑或外邊長應與風管尺寸相匹配。
2
應采用抗腐、防潮、不透氣及不易霉變的柔性材料。
3 用于凈化空調系統的還應是內壁光滑、不易產生塵埃的材料。
4
柔性短管的長度宜為150mm~250mm,接縫的縫制或粘接應牢固、可靠,不應有開裂;成型短管應平整,無扭曲等現象。
5
柔性短管不應為異徑連接管,矩形柔性短管與風管連接不得采用抱箍固定的形式。
6
柔性短管與法蘭組裝宜采用壓板鉚接連接,鉚釘間距宜為60mm~80mm。
檢查數量:按Ⅱ方案。
檢查方法:觀察檢查、尺量檢查。
5.3.8
過濾器的過濾材料與框架連接應緊密牢固,安裝方向應正確。
檢查數量:按Ⅱ方案。
檢查方法:觀察檢查、手動操作。
5.3.9
風管內電加熱器的加熱管與外框及管壁的連接應牢固可靠,絕緣良好,金屬外殼應與PE線可靠連接。
檢查數量:按Ⅱ方案。
檢查方法:觀察檢查、手動操作。
5.3.10
檢查門應平整,啟閉應靈活,關閉應嚴密,與風管或空氣處理室的連接處應采取密封措施,且不應有滲漏點。凈化空調系統風管檢查門的密封墊料,應采用成型密封膠帶或軟橡膠條。
檢查數量:按Ⅱ方案。
檢查方法:觀察檢查、手動操作。
6.2 主控項目
6.2.1
風管系統支、吊架的安裝應符合下列規定:
1 預埋件位置應正確、牢固可靠,埋入部分應去除油污,且不得涂漆。
2
風管系統支、吊架的形式和規格應按工程實際情況選用。
3
風管直徑大于2000mm或邊長大于2500mm風管的支、吊架的安裝要求,應按設計要求執行。
檢查數量:按Ⅰ方案。
檢查方法:查看設計圖、尺量、觀察檢查。
6.2.2
當風管穿過需要封閉的防火、防爆的墻體或樓板時,必須設置厚度不小于1.6mm的鋼制防護套管;風管與防護套管之間應采用不燃柔性材料封堵嚴密。
檢查數量:全數。
檢查方法:尺量、觀察檢查。
6.2.3
風管安裝必須符合下列規定:
1 風管內嚴禁其他管線穿越。
2
輸送含有易燃、易爆氣體或安裝在易燃、易爆環境的風管系統必須設置可靠的防靜電接地裝置。
3
輸送含有易燃、易爆氣體的風管系統通過生活區或其他輔助生產房間時不得設置接口。
4
室外風管系統的拉索等金屬固定件嚴禁與避雷針或避雷網連接。
檢查數量:全數。
檢查方法:尺量、觀察檢查。
6.2.4
外表溫度高于60℃,且位于人員易接觸部位的風管,應采取防燙傷的措施。
檢查數量:按Ⅰ方案。
檢查方法:觀察檢查。
6.2.5
凈化空調系統風管的安裝應符合下列規定:
1
在安裝前風管、靜壓箱及其他部件的內表面應擦拭干凈,且應無油污和浮塵。當施工停頓或完畢時,端口應封堵。
2
法蘭墊料應采用不產塵、不易老化,且具有強度和彈性的材料,厚度應為5mm~8mm,不得采用乳膠海綿。法蘭墊片宜減少拼接,且不得采用直縫對接連接,不得在墊料表面涂刷涂料。
3
風管穿過潔凈室(區)吊頂、隔墻等圍護結構時,應采取可靠的密封措施。
檢查數量:按Ⅰ方案。
檢查方法:觀察、用白綢布擦拭。
6.2.6
集中式真空吸塵系統的安裝應符合下列規定:
1 安裝在潔凈室(區)內真空吸塵系統所采用的材料應與所在潔凈室(區)具有相容性。
2
真空吸塵系統的接口應牢固裝設在墻或地板上,并應設有蓋帽。
3 真空吸塵系統彎管的曲率半徑不應小于4倍管徑,且不得采用褶皺彎管。
4
真空吸塵系統三通的夾角不得大于45°,支管不得采用四通連接。
5
集中式真空吸塵機組的安裝,應符合現行國家標準《機械設備安裝工程施工及驗收通用規范》GB
50231的有關規定。
檢查數量:全數。
檢查方法:尺量、觀察檢查。
6.2.7
風管部件的安裝應符合下列規定:
1 風管部件及操作機構的安裝應便于操作。
2
斜插板風閥安裝時,閥板應順氣流方向插入;水平安裝時,閥板應向上開啟。
3 止回閥、定風量閥的安裝方向應正確。
4
防爆波活門、防爆超壓排氣活門安裝時,穿墻管的法蘭和在軸線視線上的杠桿應鉛垂,活門開啟應朝向排氣方向,在設計的超壓下能自動啟閉。關閉后,閥盤與密封圈貼合應嚴密。
5
防火閥、排煙閥(口)的安裝位置、方向應正確。位于防火分區隔墻兩側的防火閥,距墻表面不應大于200mm。
檢查數量:按Ⅰ方案。
檢查方法:吊垂、手扳、尺量、觀察檢查。
6.2.8
風口的安裝位置應符合設計要求,風口或結構風口與風管的連接應嚴密牢固,不應存在可察覺的漏風點或部位,風口與裝飾面貼合應緊密。X射線發射房間的送、排風口應采取防止射線外泄的措施。
檢查數量:按Ⅰ方案。
檢查方法:觀察檢查。
6.2.9
風管系統安裝完畢后,應按系統類別要求進行施工質量外觀檢驗。合格后,應進行風管系統的嚴密性檢驗,漏風量除應符合設計要求和本規范第4.2.1條的規定外,尚應符合下列規定:
1
當風管系統嚴密性檢驗出現不合格時,除應修復不合格的系統外,受檢方應申請復驗或復檢。
2
凈化空調系統進行風管嚴密性檢驗時,N1級~N5級的系統按高壓系統風管的規定執行;N6級~N9級,且工作壓力小于等于1500Pa的,均按中壓系統風管的規定執行。
檢查數量:微壓系統,按工藝質量要求實行全數觀察檢驗;低壓系統,按Ⅱ方案實行抽樣檢驗;中壓系統,按Ⅰ方案實行抽樣檢驗;高壓系統,全數檢驗。
檢查方法:除微壓系統外,嚴密性測試按本規范附錄C的規定執行。
6.2.10
當設計無要求時,人防工程染毒區的風管應采用大于等于3mm鋼板焊接連接;與密閉閥門相連接的風管,應采用帶密封槽的鋼板法蘭和無接口的密封墊圈,連接應嚴密。
檢查數量:全數。
檢查方法:尺量、觀察、查驗檢測報告。
6.2.11
住宅廚房、衛生間排風道的結構、尺寸應符合設計要求,內表面應平整;各層支管與風道的連接應嚴密,并應設置防倒灌的裝置。
檢查數量:按Ⅰ方案。
檢查方法:觀察檢查。
6.2.12
病毒實驗室通風與空調系統的風管安裝連接應嚴密,允許滲漏量應符合設計要求。
檢查數量:全數。
檢查方法:觀察檢查,查驗現場漏風量檢測報告。
6.3 一般項目
6.3.1
風管支、吊架的安裝應符合下列規定:
1
金屬風管水平安裝,直徑或邊長小于等于400mm時,支、吊架間距不應大于4m;大于400mm時,間距不應大于3m。螺旋風管的支、吊架的間距可為5m與3.75m;薄鋼板法蘭風管的支、吊架間距不應大于3m。垂直安裝時,應設置至少2個固定點,支架間距不應大于4m。
2
支、吊架的設置不應影響閥門、自控機構的正常動作,且不應設置在風口、檢查門處,離風口和分支管的距離不宜小于200mm。
3
懸吊的水平主、干風管直線長度大于20m時,應設置防晃支架或防止擺動的固定點。
4
矩形風管的抱箍支架,折角應平直,抱箍應緊貼風管。圓形風管的支架應設托座或抱箍,圓弧應均勻,且應與風管外徑一致。
5
風管或空調設備使用的可調節減振支、吊架,拉伸或壓縮量應符合設計要求。
6
不銹鋼板、鋁板風管與碳素鋼支架的接觸處,應采取隔絕或防腐絕緣措施。
7
邊長(直徑)大于1250mm的彎頭、三通等部位應設置單獨的支、吊架。
檢查數量:按Ⅱ方案。
檢查方法:尺量、觀察檢查。
6.3.2
風管系統的安裝應符合下列規定:
1 風管應保持清潔,管內不應有雜物和積塵。
2
風管安裝的位置、標高、走向,應符合設計要求。現場風管接口的配置應合理,不得縮小其有效截面。
3
法蘭的連接螺栓應均勻擰緊,螺母宜在同一側。
4
風管接口的連接應嚴密牢固。風管法蘭的墊片材質應符合系統功能的要求,厚度不應小于3mm。墊片不應凸入管內,且不宜突出法蘭外;墊片接口交叉長度不應小于30mm。
5
風管與磚、混凝土風道的連接接口,應順著氣流方向插入,并應采取密封措施。風管穿出屋面處應設置防雨裝置,且不得滲漏。
6
外保溫風管必需穿越封閉的墻體時,應加設套管。
7
風管的連接應平直。明裝風管水平安裝時,水平度的允許偏差應為3‰,總偏差不應大于20mm;明裝風管垂直安裝時,垂直度的允許偏差應為2‰,總偏差不應大于20mm。暗裝風管安裝的位置應正確,不應有侵占其他管線安裝位置的現象。
8
金屬無法蘭連接風管的安裝應符合下列規定:
1)風管連接處應完整,表面應平整。
2)承插式風管的四周縫隙應一致,不應有折疊狀褶皺。內涂的密封膠應完整,外粘的密封膠帶應粘貼牢固。
3)矩形薄鋼板法蘭風管可采用彈性插條、彈簧夾或U形緊固螺栓連接。連接固定的間隔不應大于150mm,凈化空調系統風管的間隔不應大于100mm,且分布應均勻。當采用彈簧夾連接時,宜采用正反交叉固定方式,且不應松動。
4)采用平插條連接的矩形風管,連接后板面應平整。
5)置于室外與屋頂的風管,應采取與支架相固定的措施。
檢查數量:按Ⅱ方案。
檢查方法:尺量、觀察檢查。
6.3.3
除塵系統風管宜垂直或傾斜敷設。傾斜敷設時,風管與水平夾角宜大于或等于45°;當現場條件限制時,可采用小坡度和水平連接管。含有凝結水或其他液體的風管,坡度應符合設計要求,并應在最低處設排液裝置。
檢查數量:按Ⅱ方案。
檢查方法:尺量、觀察檢查。
6.3.4
集中式真空吸塵系統的安裝應符合下列規定:
1 吸塵管道的坡度宜大于等于5‰,并應坡向立管、吸塵點或集塵器。
2
吸塵嘴與管道的連接,應牢固嚴密。
檢查數量:按Ⅱ方案。
檢查方法:尺量、觀察檢查。
6.3.5
柔性短管的安裝,應松緊適度,目測平順、不應有強制性的扭曲。可伸縮金屬或非金屬柔性風管的長度不宜大于2m。柔性風管支、吊架的間距不應大于1500mm,承托的座或箍的寬度不應小于25mm,兩支架間風道的最大允許下垂應為100mm,且不應有死彎或塌凹。
檢查數量:按Ⅱ方案。
檢查方法:尺量、觀察檢查。
6.3.6
非金屬風管的安裝除應符合本規范第6.3.2條的規定外,尚應符合下列規定:
1 風管連接應嚴密,法蘭螺栓兩側應加鍍鋅墊圈。
2
風管垂直安裝時,支架間距不應大于3m。
3
硬聚氯乙烯風管的安裝尚應符合下列規定:
1)采用承插連接的圓形風管,直徑小于或等于200mm時,插口深度宜為40mm~80mm,粘接處應嚴密牢固;
2)采用套管連接時,套管厚度不應小于風管壁厚,長度宜為150mm~250mm;
3)采用法蘭連接時,墊片宜采用3mm~5mm軟聚氯乙烯板或耐酸橡膠板;
4)風管直管連續長度大于20m時,應按設計要求設置伸縮節,支管的重量不得由干管承受;
5)風管所用的金屬附件和部件,均應進行防腐處理。
4
織物布風管的安裝應符合下列規定:
1)懸掛系統的安裝方式、位置、高度和間距應符合設計要求。
2)水平安裝鋼繩垂吊點的間距不得大于3m。長度大于15m的鋼繩應增設吊架或可調節的花籃螺栓。風管采用雙鋼繩垂吊時,兩繩應平行,間距應與風管的吊點相一致。
3)滑軌的安裝應平整牢固,目測不應有扭曲;風管安裝后應設置定位固定。
4)織物布風管與金屬風管的連接處應采取防止銳口劃傷的保護措施。
5)織物布風管垂吊吊帶的間距不應大于1.5m,風管不應呈現波浪形。
檢查數量:按Ⅱ方案。
檢查方法:尺量、觀察檢查。
6.3.7
復合材料風管的安裝除應符合本規范第6.3.6條的規定外,尚應符合下列規定:
1
復合材料風管的連接處,接縫應牢固,不應有孔洞和開裂。當采用插接連接時,接口應匹配,不應松動,端口縫隙不應大于5mm。
2
復合材料風管采用金屬法蘭連接時,應采取防冷橋的措施。
3
酚醛鋁箔復合板風管與聚氨酯鋁箔復合板風管的安裝,尚應符合下列規定:
1)插接連接法蘭的不平整度應小于或等于2mm,插接連接條的長度應與連接法蘭齊平,允許偏差應為—2mm~+0mm;
2)插接連接法蘭四角的插條端頭與護角應有密封膠封堵;
3)中壓風管的插接連接法蘭之間應加密封墊或采取其他密封措施。
4
玻璃纖維復合板風管的安裝應符合下列規定:
1)風管的鋁箔復合面與丙烯酸等樹脂涂層不得損壞,風管的內角接縫處應采用密封膠勾縫。
2)榫連接風管的連接應在榫口處涂膠粘劑,連接后在外接縫處應采用扒釘加固,間距不宜大于50mm,并宜采用寬度大于或等于50mm的熱敏膠帶粘貼密封。
3)采用槽形插接等連接構件時,風管端切口應采用鋁箔膠帶或刷密封膠封堵。
4)采用槽型鋼制法蘭或插條式構件連接的風管,風管外壁鋼抱箍與內壁金屬內套,應采用鍍鋅螺栓固定,螺孔間距不應大于120mm,螺母應安裝在風管外側。螺栓穿過的管壁處應進行密封處理。
5)風管垂直安裝宜采用“井”字形支架,連接應牢固。
5
玻璃纖維增強氯氧鎂水泥復合材料風管,應采用黏結連接。直管長度大于30m時,應設置伸縮節。
檢查數量:按Ⅱ方案。
檢查方法:尺量、觀察檢查。
6.3.8
風閥的安裝應符合下列規定:
1 風閥應安裝在便于操作及檢修的部位。安裝后,手動或電動操作裝置應靈活可靠,閥板關閉應嚴密。
2
直徑或長邊尺寸大于或等于630mm的防火閥,應設獨立支、吊架。
3
排煙閥(排煙口)及手控裝置(包括鋼索預埋套管)的位置應符合設計要求。鋼索預埋套管彎管不應大于2個,且不得有死彎及癟陷;安裝完畢后應操控自如,無阻澀等現象。
4
除塵系統吸入管段的調節閥,宜安裝在垂直管段上。
5
防爆波懸擺活門、防爆超壓排氣活門和自動排氣活門安裝時,位置的允許偏差應為10mm,標高的允許偏差應為±5mm,框正、側面與平衡錘連桿的垂直度允許偏差應為5mm。
檢查數量:按Ⅱ方案。
檢查方法:尺量、觀察檢查。
6.3.9
排風口、吸風罩(柜)的安裝應排列整齊、牢固可靠,安裝位置和標高允許偏差應為±10mm,水平度的允許偏差應為3‰,且不得大于20mm。
檢查數量:按Ⅱ方案。
檢查方法:尺量、觀察檢查。
6.3.10
風帽安裝應牢固,連接風管與屋面或墻面的交接處不應滲水。
檢查數量:按Ⅱ方案。
檢查方法:尺量、觀察檢查。
6.3.11
消聲器及靜壓箱的安裝應符合下列規定:
1 消聲器及靜壓箱安裝時,應設置獨立支、吊架,固定應牢固。
2
當采用回風箱作為靜壓箱時,回風口處應設置過濾網。
檢查數量:按Ⅱ方案。
檢查方法:觀察檢查。
6.3.12
風管內過濾器的安裝應符合下列規定:
1 過濾器的種類、規格應符合設計要求。
2 過濾器應便于拆卸和更換。
3
過濾器與框架及框架與風管或機組殼體之間連接應嚴密。
檢查數量:按Ⅱ方案。
檢查方法:觀察檢查。
6.3.13
風口的安裝應符合下列規定:
1
風口表面應平整、不變形,調節應靈活、可靠。同一廳室、房間內的相同風口的安裝高度應一致,排列應整齊。
2
明裝無吊頂的風口,安裝位置和標高允許偏差應為10mm。
3 風口水平安裝,水平度的允許偏差應為3‰。
4
風口垂直安裝,垂直度的允許偏差應為2‰。
檢查數量:按Ⅱ方案。
檢查方法:尺量、觀察檢查。
6.3.14
潔凈室(區)內風口的安裝除應符合本規范第6.3.13的規定外,尚應符合下列規定:
1 風口安裝前應擦拭干凈,不得有油污、浮塵等。
2
風口邊框與建筑頂棚或墻壁裝飾面應緊貼,接縫處應采取可靠的密封措施。
3 帶高效空氣過濾器的送風口,四角應設置可調節高度的吊桿。
檢查數量:按Ⅱ方案。
檢查方法:查驗成品質量合格證明文件,觀察檢查。
7 風機與空氣處理設備安裝
7.1 一般規定
7.1.1
風機與空氣處理設備應附帶裝箱清單、設備說明書、產品質量合格證書和性能檢測報告等隨機文件,進口設備還應具有商檢合格的證明文件。
7.1.2
設備安裝前,應進行開箱檢查驗收,并應形成書面的驗收記錄。
7.1.3 設備就位前應對其基礎進行驗收,合格后再安裝。
7.2 主控項目
7.2.1
風機及風機箱的安裝應符合下列規定:
1 產品的性能、技術參數應符合設計要求,出口方向應正確。
2
葉輪旋轉應平穩,每次停轉后不應停留在同一位置上。
3 固定設備的地腳螺栓應緊固,并應采取防松動措施。
4
落地安裝時,應按設計要求設置減振裝置,并應采取防止設備水平位移的措施。
5
懸掛安裝時,吊架及減振裝置應符合設計及產品技術文件的要求。
檢查數量:按Ⅰ方案。
檢查方法:依據設計圖紙核對,盤動,觀察檢查。
7.2.2
通風機傳動裝置的外露部位以及直通大氣的進、出風口,必須裝設防護罩、防護網或采取其他安全防護措施。
檢查數量:全數檢查。
檢查方法:依據設計圖紙核對,觀察檢查。
7.2.3
單元式與組合式空氣處理設備的安裝應符合下列規定:
1 產品的性能、技術參數和接口方向應符合設計要求。
2
現場組裝的組合式空調機組應按現行國家標準《組合式空調機組》GB/T
14294的有關規定進行漏風量的檢測。通用機組在700Pa靜壓下,漏風率不應大于2%;凈化空調系統機組在1000Pa靜壓下,漏風率不應大于1%。
3
應按設計要求設置減振支座或支、吊架,承重量應符合設計及產品技術文件的要求。
檢查數量:通用機組按Ⅱ方案,凈化空調系統機組N7級~N9級按Ⅰ方案,N1級~N6級全數檢查。
檢查方法:依據設計圖紙核對,查閱測試記錄。
7.2.4
空氣熱回收裝置的安裝應符合下列規定:
1 產品的性能、技術參數等應符合設計要求。
2
熱回收裝置接管應正確,連接應可靠、嚴密。
3
安裝位置應預留設備檢修空間。
檢查數量:按Ⅰ方案。
檢查方法:依據設計圖紙核對,觀察檢查。
7.2.5
空調末端設備的安裝應符合下列規定:
1 產品的性能、技術參數應符合設計要求。
2
風機盤管機組、變風量與定風量空調末端裝置及地板送風單元等的安裝,位置應正確,固定應牢固、平整,便于檢修。
3
風機盤管的性能復驗應按現行國家標準《建筑節能工程施工質量驗收規范》GB 50411的規定執行。
4
冷輻射吊頂安裝固定應可靠,接管應正確,吊頂面應平整。
檢查數量:按Ⅰ方案。
檢查方法:依據設計圖紙核對,觀察檢查和查閱施工記錄。
7.2.6
除塵器的安裝應符合下列規定:
1 產品的性能、技術參數、進出口方向應符合設計要求。
2
現場組裝的除塵器殼體應進行漏風量檢測,在設計工作壓力下允許漏風量應小于5%,其中離心式除塵器應小于3%。
3
布袋除塵器、靜電除塵器的殼體及輔助設備接地應可靠。
4
濕式除塵器與淋洗塔外殼不應滲漏,內側的水幕、水膜或泡沫層成形應穩定。
檢查數量:按Ⅰ方案。
檢查方法:依據設計圖紙核對,觀察檢查和查閱測試記錄。
7.2.7
在凈化系統中,高效過濾器應在潔凈室(區)進行清潔,系統中末端過濾器前的所有空氣過濾器應安裝完畢,且系統應連續試運轉12h以上后,應在現場拆開包裝并進行外觀檢查,合格后應立即安裝。高效過濾器安裝方向應正確,密封面應嚴密,并應按本規范附錄D的要求進行現場掃描檢漏,且應合格。
檢查數量:全數檢查。
檢查方法:查閱檢測報告,或實測。
7.2.8
風機過濾器單元的安裝應符合下列規定:
1 安裝前,應在清潔環境下進行外觀檢查,且不應有變形、銹蝕、漆膜脫落等現象。
2
安裝位置、方向應正確,且應方便機組檢修。
3 安裝框架應平整、光滑。
4
風機過濾器單元與安裝框架接合處應采取密封措施。
5
應在風機過濾器單元進風口設置功能等同于高中效過濾器的預過濾裝置后,進行試運行,且應無異常。
檢查數量:全數檢查。
檢查方法:觀察檢查或查閱施工記錄。
7.2.9
潔凈層流罩的安裝應符合下列規定:
1 外觀不應有變形、銹蝕、漆膜脫落等現象。
2
應采用獨立的吊桿或支架,并應采取防止晃動的固定措施,且不得利用生產設備或壁板作為支撐。
3
直接安裝在吊頂上的層流罩,應采取減振措施,箱體四周與吊頂板之間應密封。
4
安裝后,應進行不少于1h的連續試運轉,且運行應正常。
檢查數量:全數檢查。
檢查方法:尺量、觀察檢查和查閱施工記錄。
7.2.10
靜電式空氣凈化裝置的金屬外殼必須與PE線可靠連接。
檢查數量:全數檢查。
檢查方法:核對材料、觀察檢查或電阻測定。
7.2.11
電加熱器的安裝必須符合下列規定:
1
電加熱器與鋼構架間的絕熱層必須采用不燃材料,外露的接線柱應加設安全防護罩。
2
電加熱器的外露可導電部分必須與PE線可靠連接。
3
連接電加熱器的風管的法蘭墊片,應采用耐熱不燃材料。
檢查數量:全數檢查。
檢查方法:核對材料、觀察檢查,查閱測試記錄。
7.2.12
過濾吸收器的安裝方向應正確,并應設獨立支架,與室外的連接管段不得有滲漏。
檢查數量:全數檢查。
檢查方法:觀察檢查和查閱施工或檢測記錄。
7.3 一般項目
7.3.1
風機及風機箱的安裝應符合下列規定:
1
通風機安裝允許偏差應符合表7.3.1的規定,葉輪轉子與機殼的組裝位置應正確。葉輪進風口插入風機機殼進風口或密封圈的深度,應符合設備技術文件要求或應為葉輪直徑的1/100。
2
軸流風機的葉輪與筒體之間的間隙應均勻,安裝水平偏差和垂直度偏差均不應大于1‰。
3
減振器的安裝位置應正確,各組或各個減振器承受荷載的壓縮量應均勻一致,偏差應小于2mm。
4
風機的減振鋼支、吊架,結構形式和外形尺寸應符合設計或設備技術文件的要求。焊接應牢固,焊縫外部質量應符合本規范第9.3.2條第3款的規定。
表7.3.1 通風機安裝允許偏差
5
風機的進、出口不得承受外加的重量,相連接的風管、閥件應設置獨立的支、吊架。
檢查數量:按Ⅱ方案。
檢查方法:尺量、觀察或查閱施工記錄。
7.3.2
空氣風幕機的安裝應符合下列規定:
1 安裝位置及方向應正確,固定應牢固可靠。
2
機組的縱向垂直度和橫向水平度的允許偏差均應為2‰。
3
成排安裝的機組應整齊,出風口平面允許偏差應為5mm。
檢查數量:按Ⅱ方案。
檢查方法:尺量、觀察檢查。
7.3.3
單元式空調機組的安裝應符合下列規定:
1
分體式空調機組的室外機和風冷整體式空調機組的安裝固定應牢固可靠,并應滿足冷卻風自然進入的空間環境要求。
2
分體式空調機組室內機的安裝位置應正確,并應保持水平,冷凝水排放應順暢。管道穿墻處密封應良好,不應有雨水滲入。
檢查數量:按Ⅱ方案。
檢查方法:觀察檢查。
7.3.4
組合式空調機組、新風機組的安裝應符合下列規定:
1
組合式空調機組各功能段的組裝應符合設計的順序和要求,各功能段之間的連接應嚴密,整體外觀應平整。
2
供、回水管與機組的連接應正確,機組下部冷凝水管的水封高度應符合設計或設備技術文件的要求。
3
機組與風管采用柔性短管連接時,柔性短管的絕熱性能應符合風管系統的要求。
4 機組應清掃干凈,箱體內不應有雜物、垃圾和積塵。
5
機組內空氣過濾器(網)和空氣熱交換器翅片應清潔、完好,安裝位置應便于維護和清理。
檢查數量:按Ⅱ方案。
檢查方法:觀察檢查。
7.3.5
空氣過濾器的安裝應符合下列規定:
1 過濾器框架安裝應平整牢固,方向應正確,框架與圍護結構之間應嚴密。
2
粗效、中效袋式空氣過濾器的四周與框架應均勻壓緊,不應有可見縫隙,并應便于拆卸和更換濾料。
3
卷繞式空氣過濾器的框架應平整,上、下筒體應平行,展開的濾料應松緊適度。
檢查數量:按Ⅱ方案。
檢查方法:觀察檢查。
7.3.6
蒸汽加濕器的安裝應符合下列規定:
1 加濕器應設獨立支架,加濕器噴管與風管間應進行絕熱、密封處理。
2
干蒸汽加濕器的蒸汽噴口不應朝下。
檢查數量:按Ⅱ方案。
檢查方法:觀察檢查。
7.3.7
紫外線與離子空氣凈化裝置的安裝應符合下列規定:
1 安裝位置應符合設計或產品技術文件的要求,并應方便檢修。
2
裝置應緊貼空調箱體的壁板或風管的外表面,固定應牢固,密封應良好。
3
裝置的金屬外殼應與PE線可靠連接。
檢查數量:按Ⅱ方案。
檢查方法:觀察檢查、查閱試驗記錄,或實測。
7.3.8
空氣熱回收器的安裝位置及接管應正確,轉輪式空氣熱回收器的轉輪旋轉方向應正確,運轉應平穩,且不應有異常振動與聲響。
檢查數量:按Ⅱ方案。
檢查方法:觀察檢查。
7.3.9
風機盤管機組的安裝應符合下列規定:
1
機組安裝前宜進行風機三速試運轉及盤管水壓試驗。試驗壓力應為系統工作壓力的1.5倍,試驗觀察時間應為2min,不滲漏為合格。
2
機組應設獨立支、吊架,固定應牢固,高度與坡度應正確。
3
機組與風管、回風箱或風口的連接,應嚴密可靠。
檢查數量:按Ⅱ方案。
檢查方法:觀察檢查、查閱試驗記錄。
7.3.10
變風量、定風量末端裝置安裝時,應設獨立的支、吊架,與風管連接前宜做動作試驗,且應符合產品的性能要求。
檢查數量:按Ⅱ方案。
檢查方法:觀察檢查、查閱試驗記錄。
7.3.11
除塵器的安裝應符合下列規定:
1 除塵器的安裝位置應正確,固定應牢固平穩,除塵器安裝允許偏差和檢驗方法應符合表7.3.11的規定。
表7.3.11 除塵器安裝允許偏差和檢驗方法
2
除塵器的活動或轉動部件的動作應靈活、可靠,并應符合設計要求。
3
除塵器的排灰閥、卸料閥、排泥閥的安裝應嚴密,并應便于操作與維護修理。
檢查數量:按Ⅱ方案。
檢查方法:尺量、觀察檢查及查閱施工記錄。
7.3.12
現場組裝靜電除塵器除應符合設備技術文件外,尚應符合下列規定:
1
陽極板組合后的陽極排平面度允許偏差應為5mm,對角線允許偏差應為10mm。
2
陰極小框架組合后主平面的平面度允許偏差應為5mm,對角線允許偏差應為10mm。
3
陰極大框架的整體平面度允許偏差應為15mm,整體對角線允許偏差應為10mm。
4
陽極板高度小于或等于7m的電除塵器,陰、陽極間距允許偏差應為5mm。陽極板高度大于7m的電除塵器,陰、陽極間距允許偏差應為10mm。
5
振打錘裝置的固定應可靠,振打錘的轉動應靈活。錘頭方向應正確,振打錘錘頭與振打砧之間應保持良好的線接觸狀態,接觸長度應大于錘頭厚度的70%。
檢查數量:按Ⅱ方案。
檢查方法:尺量、觀察檢查及查閱施工記錄。
7.3.13
現場組裝布袋除塵器的安裝應符合下列規定:
1 外殼應嚴密,濾袋接口應牢固。
2
分室反吹袋式除塵器的濾袋安裝應平直。每條濾袋的拉緊力應為30N/m±5N/m,與濾袋連接接觸的短管和袋帽不應有毛刺。
3
機械回轉扁袋袋式除塵器的旋臂,轉動應靈活可靠;凈氣室上部的頂蓋應密封不漏氣,旋轉應靈活,不應有卡阻現象。
4
脈沖袋式除塵器的噴吹孔應對準文氏管的中心,同心度允許偏差應為2mm。
檢查數量:按Ⅱ方案。
檢查方法:尺量、觀察檢查及查閱施工記錄。
7.3.14
潔凈室空氣凈化設備的安裝應符合下列規定:
1
機械式余壓閥的安裝時,閥體、閥板的轉軸應水平,允許偏差應為2‰。余壓閥的安裝位置應在室內氣流的下風側,且不應在工作區高度范圍內。
2 傳遞窗的安裝應牢固、垂直,與墻體的連接處應密封。
檢查數量:按Ⅱ方案。
檢查方法:尺量、觀察檢查。
7.3.15
裝配式潔凈室的安裝應符合下列規定:
1 潔凈室的頂板和壁板(包括夾芯材料)應采用不燃材料。
2
潔凈室的地面應干燥平整,平面度允許偏差應為1‰。
3
壁板的構、配件和輔助材料應在清潔的室內進行開箱,安裝前應嚴格檢查規格和質量。壁板應垂直安裝,底部宜采用圓弧或鈍角交接;安裝后的壁板之間、壁板與頂板間的拼縫應平整嚴密,墻板垂直度的允許偏差應為2‰,頂板水平度與每個單間的幾何尺寸的允許偏差應為2‰。
4
潔凈室吊頂在受荷載后應保持平直,壓條應全部緊貼。當潔凈室壁板采用上、下槽形板時,接頭應平整嚴密。潔凈室內的所有拼接縫組裝完畢后,應采取密封措施,且密封應良好。
檢查數量:按Ⅱ方案。
檢查方法:尺量、觀察檢查及查閱施工記錄。
7.3.16 空氣吹淋室的安裝應符合下列規定:
1
空氣吹淋室的安裝應按工程設計要求,定位應正確。
2 外形尺寸應正確,結構部件應齊全、無變形,噴頭不應有異常或松動等現象。
3
空氣吹淋室與地面之間應設有減振墊,與圍護結構之間應采取密封措施。
4 空氣吹淋室的水平度允許偏差應為2‰。
5
對產品進行不少于1h的連續試運轉,設備連鎖和運行性能應良好。
檢查數量:按Ⅱ方案。
檢查方法:尺量、觀察檢查,查驗產品合格證和進場驗收記錄。
7.3.17
高效過濾器與層流罩的安裝應符合下列規定:
1 安裝高效過濾器的框架應平整清潔,每臺過濾器的安裝框架的平整度允許偏差應為1mm。
2
機械密封時,應采用密封墊料,厚度宜為6mm~8mm,密封墊料應平整。安裝后墊料的壓縮應均勻,壓縮率宜為25%~30%。
3
采用液槽密封時,槽架應水平安裝,不得有滲漏現象,槽內不應有污物和水分,槽內密封液高度不應超過2/3槽深。密封液的熔點宜高于50℃。
4
潔凈層流罩安裝水平度偏差的應為1‰,高度允許偏差應為1mm。
檢查數量:按Ⅱ方案。
檢查方法:尺量、觀察檢查。
8 空調用冷(熱)源與輔助設備安裝
8.1
一般規定
8.1.1
制冷(熱)設備、附屬設備、管道、管件及閥門等產品的性能及技術參數應符合設計要求,設備機組的外表不應有損傷,密封應良好,隨機文件和配件應齊全。
8.1.2
與制冷(熱)機組配套的蒸汽、燃油、燃氣供應系統,應符合設計文件和產品技術文件的要求,并應符合國家現行標準的有關規定。
8.1.3
制冷機組本體的安裝、試驗、試運轉及驗收應符合現行國家標準《制冷設備、空氣分離設備安裝工程施工及驗收規范》GB 50274的有關規定。
8.1.4
太陽能空調機組的安裝應符合現行國家標準《民用建筑太陽能空調工程技術規范》GB 50787的有關規定。
8.2 主控項目
8.2.1
制冷機組及附屬設備的安裝應符合下列規定:
1
制冷(熱)設備、制冷附屬設備產品性能和技術參數應符合設計要求,并應具有產品合格證書、產品性能檢驗報告。
2
設備的混凝土基礎應進行質量交接驗收,且應驗收合格。
3
設備安裝的位置、標高和管口方向應符合設計要求。采用地腳螺栓固定的制冷設備或附屬設備,墊鐵的放置位置應正確,接觸應緊密,每組墊鐵不應超過3塊;螺栓應緊固,并應采取防松動措施。
檢查數量:全數檢查。
檢查方法:觀察、核對設備型號、規格;查閱產品質量合格證書、性能檢驗報告和施工記錄。
8.2.2
制冷劑管道系統應按設計要求或產品要求進行強度、氣密性及真空試驗,且應試驗合格。
檢查數量:全數檢查。
檢查方法:觀察、旁站、查閱試驗記錄。
8.2.3
直接膨脹蒸發式冷卻器的表面應保持清潔、完整,空氣與制冷劑應呈逆向流動;冷卻器四周的縫隙應堵嚴,冷凝水排放應暢通。
檢查數量:全數檢查。
檢查方法:觀察檢查。
8.2.4
燃油管道系統必須設置可靠的防靜電接地裝置。
檢查數量:全數檢查。
檢查方法:觀察、查閱試驗記錄。
8.2.5
燃氣管道的安裝必須符合下列規定:
1
燃氣系統管道與機組的連接不得使用非金屬軟管。
2
當燃氣供氣管道壓力大于5kPa時,焊縫無損檢測應按設計要求執行;當設計無規定時,應對全部焊縫進行無損檢測并合格。
3
燃氣管道吹掃和壓力試驗的介質應采用空氣或氮氣,嚴禁采用水。
檢查數量:全數檢查。
檢查方法:觀察、查閱壓力試驗與無損檢測報告。
8.2.6
組裝式的制冷機組和現場充注制冷劑的機組,應進行系統管路吹污、氣密性試驗、真空試驗和充注制冷劑檢漏試驗,技術數據應符合產品技術文件和國家現行標準的有關規定。
檢查數量:全數檢查。
檢查方法:旁站觀察,查閱試驗及試運行記錄。
8.2.7
蒸汽壓縮式制冷系統管道、管件和閥門的安裝應符合下列規定:
1
制冷系統的管道、管件和閥門的類別、材質、管徑、壁厚及工作壓力等應符合設計要求,并應具有產品合格證書、產品性能檢驗報告。
2
法蘭、螺紋等處的密封材料應與管內的介質性能相適應。
3 制冷循環系統的液管不得向上裝成“Ω”形;除特殊回油管外,氣管不得向下裝成“ ”形;液體支管引出時,必須從干管底部或側面接出;氣體支管引出時,應從干管頂部或側面接出;有兩根以上的支管從干管引出時,連接部位應錯開,間距不應小于2倍支管直徑,且不應小于200mm。
4
管道與機組連接應在管道吹掃、清潔合格后進行。與機組連接的管路上應按設計要求及產品技術文件的要求安裝過濾器、閥門、部件、儀表等,位置應正確、排列應規整;管道應設獨立的支吊架;壓力表距閥門位置不宜小于200mm。
5
制冷設備與附屬設備之間制冷劑管道的連接,制冷劑管道坡度、坡向應符合設計及設備技術文件的要求。當設計無要求時,應符合表8.2.7的規定。
表8.2.7 制冷劑管道坡度、坡向
6
制冷系統投入運行前,應對安全閥進行調試校核,開啟和回座壓力應符合設備技術文件要求。
7
系統多余的制冷劑不得向大氣直接排放,應采用回收裝置進行回收。
檢查數量:按Ⅰ方案。
檢查方法:核查合格證明文件,觀察、尺量,查閱測量、調試校核記錄。
8.2.8
氨制冷機應采用密封性能良好、安全性好的整體式冷水機組。除磷青銅材料外,氨制冷劑的管道、附件、閥門及填料不得采用銅或銅合金材料,管內不得鍍鋅。氨系統管道的焊縫應進行射線照相檢驗,抽檢率應為10%,以質量不低于Ⅲ級為合格。
檢查數量:全數檢查。
檢查方法:觀察檢查、查閱探傷報告和試驗記錄。
8.2.9
多聯機空調(熱泵)系統的安裝應符合下列規定:
1
多聯機空調(熱泵)系統室內機、室外機產品的性能、技術參數等應符合設計要求,并應具有出廠合格證、產品性能檢驗報告。
2
室內機、室外機的安裝位置、高度應符合設計及產品技術的要求,固定應可靠。室外機的通風條件應良好。
3
制冷劑應根據工程管路系統的實際情況,通過計算后進行充注。
4
安裝在戶外的室外機組應可靠接地,并應采取防雷保護措施。
檢查數量:按Ⅰ方案。
檢查方法:旁站、觀察檢查和查閱試驗記錄。
8.2.10
空氣源熱泵機組的安裝應符合下列規定:
1
空氣源熱泵機組產品的性能、技術參數應符合設計要求,并應具有出廠合格證、產品性能檢驗報告。
2
機組應有可靠的接地和防雷措施,與基礎間的減振應符合設計要求。
3
機組的進水側應安裝水力開關,并應與制冷機的啟動開關連鎖。
檢查數量:全數檢查。
檢查方法:旁站,觀察和查閱產品性能檢驗報告。
8.2.11
吸收式制冷機組的安裝應符合下列規定:
1 吸收式制冷機組的產品的性能、技術參數應符合設計要求。
2
吸收式機組安裝后,設備內部應沖洗干凈。
3 機組的真空試驗應合格。
4
直燃型吸收式制冷機組排煙管的出口應設置防雨帽、防風罩和避雷針,燃油油箱上不得采用玻璃管式油位計。
檢查數量:全數檢查。
檢查方法:旁站、觀察、查閱產品性能檢驗報告和施工記錄。
8.3 一般項目
8.3.1
制冷(熱)機組與附屬設備的安裝應符合下列規定:
1 設備與附屬設備安裝允許偏差和檢驗方法應符合表8.3.1的規定。
表8.3.1 設備與附屬設備安裝允許偏差和檢驗方法
2
整體組合式制冷機組機身縱、橫向水平度的允許偏差應為1‰。當采用墊鐵調整機組水平度時,應接觸緊密并相對固定。
3
附屬設備的安裝應符合設備技術文件的要求,水平度或垂直度允許偏差應為1‰。
4
制冷設備或制冷附屬設備基(機)座下減振器的安裝位置應與設備重心相匹配,各個減振器的壓縮量應均勻一致,且偏差不應大于2mm。
5
采用彈性減振器的制冷機組,應設置防止機組運行時水平位移的定位裝置。
6
冷熱源與輔助設備的安裝位置應滿足設備操作及維修的空間要求,四周應有排水設施。
檢查數量:按Ⅱ方案。
檢查方法:水準儀、經緯儀、拉線和尺量檢查,查閱安裝記錄。
8.3.2
模塊式冷水機組單元多臺并聯組合時,接口應牢固、嚴密不漏,外觀應平整完好,目測無扭曲。
檢查數量:全數檢查。
檢查方法:尺量、觀察檢查。
8.3.3
制冷劑管道、管件的安裝應符合下列規定:
1
管道、管件的內外壁應清潔干燥,連接制冷機的吸、排氣管道應設獨立支架;管徑小于或等于40mm的銅管道,在與閥門連接處應設置支架。水平管道支架的間距不應大于1.5m,垂直管道不應大于2.0m;管道上、下平行敷設時,吸氣管應在下方。
2
制冷劑管道彎管的彎曲半徑不應小于3.5倍管道直徑,最大外徑與最小外徑之差不應大于8‰的管道直徑,且不應使用焊接彎管及皺褶彎管。
3
制冷劑管道的分支管,應按介質流向彎成90°與主管連接,不宜使用彎曲半徑小于1.5倍管道直徑的壓制彎管。
4
銅管切口應平整,不得有毛刺、凹凸等缺陷,切口允許傾斜偏差應為管徑的1%;管擴口應保持同心,不得有開裂及皺褶,并應有良好的密封面。
5
銅管采用承插釬焊焊接連接時,應符合表8.3.3的規定,承口應迎著介質流動方向。當采用套管釬焊焊接連接時,插接深度不應小于表8.3.3中最小承插連接的規定;當采用對接焊接時,管道內壁應齊平,錯邊量不應大于10‰壁厚,且不大于1mm。
表8.3.3 銅管承、插口深度(mm)
6
管道穿越墻體或樓板時,應加裝套管;管道的支吊架和鋼管的焊接應按本規范第9章的規定執行。
檢查數量:按Ⅱ方案。
檢查方法:尺量、觀察檢查。
8.3.4
制冷劑系統閥門的安裝應符合下列規定:
1
制冷劑閥門安裝前應進行強度和嚴密性試驗。強度試驗壓力應為閥門公稱壓力的1.5倍,時間不得少于5min;嚴密性試驗壓力應為閥門公稱壓力的1.1倍,持續時間30s不漏為合格。
2
閥體應清潔干燥、不得有銹蝕,安裝位置、方向和高度應符合設計要求。
3
水平管道上閥門的手柄不應向下,垂直管道上閥門的手柄應便于操作。
4
自控閥門安裝的位置應符合設計要求。電磁閥、調節閥、熱力膨脹閥、升降式止回閥等的閥頭均應向上;熱力膨脹閥的安裝位置應高于感溫包,感溫包應裝在蒸發器出口處的回氣管上,與管道應接觸良好、綁扎緊密。
5
安全閥應垂直安裝在便于檢修的位置,排氣管的出口應朝向安全地帶,排液管應裝在泄水管上。
檢查數量:按Ⅱ方案。
檢查方法:尺量、觀察檢查、旁站或查閱試驗記錄。
8.3.5
制冷系統的吹掃排污應采用壓力為0.5MPa~0.6MPa(表壓)的干燥壓縮空氣或氮氣,應以白色(布)標識靶檢查5min,目測無污物為合格。系統吹掃干凈后,系統中閥門的閥芯拆下清洗應干凈。
檢查數量:全數檢查。
檢查方法:觀察、旁站或查閱試驗記錄。
8.3.6
多聯機空調系統的安裝應符合下列規定:
1
室外機的通風應通暢,不應有短路現象,運行時不應有異常噪聲。當多臺機組集中安裝時,不應影響相鄰機組的正常運行。
2
室外機組應安裝在設計專用平臺上,并應采取減振與防止緊固螺栓松動的措施。
3
風管式室內機的送、回風口之間,不應形成氣流短路。風口安裝應平整,且應與裝飾線條相一致。
4
室內外機組間冷媒管道的布置應采用合理的短捷路線,并應排列整齊。
檢查數量:按Ⅱ方案。
檢查方法:尺量、觀察檢查。
8.3.7
空氣源熱泵機組除應符合本規范第8.3.1條的規定外,尚應符合下列規定:
1
機組安裝的位置應符合設計要求。同規格設備成排就位時,目測排列應整齊,允許偏差不應大于10mm。水力開關的前端宜有4倍管徑及以上的直管段。
2
機組四周應按設備技術文件要求,留有設備維修空間。設備進風通道的寬度不應小于1.2倍的進風口高度;當兩個及以上機組進風口共用一個通道時,間距寬度不應小于2倍的進風口高度。
3
當機組設有結構圍擋和隔音屏障時,不得影響機組正常運行的通風要求。
檢查數量:按Ⅱ方案。
檢查方法:尺量、觀察檢查、旁站或查閱試驗記錄。
8.3.8
燃油系統油泵和蓄冷系統載冷劑泵安裝時,縱、橫向水平度允許偏差應為1‰,聯軸器兩軸芯軸向傾斜允許偏差應為0.2‰,徑向允許位移不應大于0.05mm。
檢查數量:全數檢查。
檢查方法:尺量、觀察檢查。
8.3.9
吸收式制冷機組安裝除應符合本規范第8.3.1的規定外,尚應符合下列規定:
1
吸收式分體機組運至施工現場后,應及時運入機房進行組裝,并應清洗、抽真空。
2
機組的真空泵到達指定安裝位置后,應進行找正、找平。抽氣連接管應采用直徑與真空泵進口直徑相同的金屬管,當采用橡膠管時,應采用真空用的膠管,并應對管接頭處采取密封措施。
3
機組的屏蔽泵到達指定安裝位置后,應進行找正、找平,電線接頭處應采取防水密封措施。
4
機組的水平度允許偏差應為2‰。
檢查數量:按Ⅱ方案。
檢查方法:觀察檢查,查閱泵安裝和真空測試記錄。
9 空調水系統管道與設備安裝
9.1 一般規定
9.1.1
鍍鋅鋼管及帶有防腐涂層的鋼管不得采用焊接連接,應采用螺紋連接。當管徑大于DN100時,可采用卡箍或法蘭連接。
9.1.2
金屬管道的焊接施工,企業應具有相應的焊接工藝評定,施焊人員應持有相應類別焊接的技能證明。
9.1.3
空調用蒸汽管道工程施工質量的驗收應符合現行國家標準《建筑給水排水及采暖工程施工質量驗收規范》GB
50242的有關規定。溫度高于100℃的熱水系統應按國家有關壓力管道工程施工的規定執行。
9.1.4
當空調水系統采用塑料管道時,施工質量的驗收應按國家現行標準的規定執行。
9.2 主控項目
9.2.1
空調水系統設備與附屬設備的性能、技術參數,管道、管配件及閥門的類型、材質及連接形式應符合設計要求。
檢查數量:按Ⅰ方案。
檢查方法:觀察檢查、查閱產品質量證明文件和材料進場驗收記錄。
9.2.2
管道的安裝應符合下列規定:
1 隱蔽安裝部位的管道安裝完成后,應在水壓試驗,合格后方能交付隱蔽工程的施工。
2
并聯水泵的出口管道進入總管應采用順水流斜向插接的連接形式,夾角不應大于60°。
3
系統管道與設備的連接應在設備安裝完畢后進行。管道與水泵、制冷機組的接口應為柔性接管,且不得強行對口連接。與其連接的管道應設置獨立支架。
4
判定空調水系統管路沖洗、排污合格的條件是目測排出口的水色和透明度與入口的水對比應相近,且無可見雜物。當系統繼續運行2h以上,水質保持穩定后,方可與設備相貫通。
5
固定在建筑結構上的管道支、吊架,不得影響結構體的安全。管道穿越墻體或樓板處應設鋼制套管,管道接口不得置于套管內,鋼制套管應與墻體飾面或樓板底部平齊,上部應高出樓層地面20mm~50mm,且不得將套管作為管道支撐。當穿越防火分區時,應采用不燃材料進行防火封堵;保溫管道與套管四周的縫隙應使用不燃絕熱材料填塞緊密。
檢查數量:按Ⅰ方案。
檢查方法:尺量、觀察檢查,旁站或查閱試驗記錄。
9.2.3
管道系統安裝完畢,外觀檢查合格后,應按設計要求進行水壓試驗。當設計無要求時,應符合下列規定:
1
冷(熱)水、冷卻水與蓄能(冷、熱)系統的試驗壓力,當工作壓力小于或等于1.0MPa時,應為1.5倍工作壓力,最低不應小于0.6MPa;當工作壓力大于1.0MPa時,應為工作壓力加0.5MPa。
2
系統最低點壓力升至試驗壓力后,應穩壓10min,壓力下降不應得大于0.02MPa,然后應將系統壓力降至工作壓力,外觀檢查無滲漏為合格。對于大型、高層建筑等垂直位差較大的冷(熱)水、冷卻水管道系統,當采用分區、分層試壓時,在該部位的試驗壓力下,應穩壓10min,壓力不得下降,再將系統壓力降至該部位的工作壓力,在60min內壓力不得下降、外觀檢查無滲漏為合格。
3
各類耐壓塑料管的強度試驗壓力(冷水)應為1.5倍工作壓力,且不應小于0.9MPa;嚴密性試驗壓力應為1.15倍的設計工作壓力。
4
凝結水系統采用通水試驗,應以不滲漏,排水暢通為合格。
檢查數量:全數檢查。
檢查方法:旁站觀察或查閱試驗記錄。
9.2.4
閥門的安裝應符合下列規定:
1 閥門安裝前應進行外觀檢查,閥門的銘牌應符合現行國家標準《工業閥門 標志》GB/T
12220的有關規定。工作壓力大于1.0MPa及在主干管上起到切斷作用和系統冷、熱水運行轉換調節功能的閥門和止回閥,應進行殼體強度和閥瓣密封性能的試驗,且應試驗合格。其他閥門可不單獨進行試驗。殼體強度試驗壓力應為常溫條件下公稱壓力的1.5倍,持續時間不應少于5min,閥門的殼體、填料應無滲漏。嚴密性試驗壓力應為公稱壓力的1.1倍,在試驗持續的時間內應保持壓力不變,閥門壓力試驗持續時間與允許泄漏量應符合表9.2.4的規定。
表9.2.4 閥門壓力試馬命持續時間與允許泄漏量
注:壓力試驗的介質為潔凈水。用于不銹鋼閥門的試驗水,氯離子含量不得高于25mg/L。
2
閥門的安裝位置、高度、進出口方向應符合設計要求,連接應牢固緊密。
3 安裝在保溫管道上的手動閥門的手柄不得朝向下。
4
動態與靜態平衡閥的工作壓力應符合系統設計要求,安裝方向應正確。閥門在系統運行時,應按參數設計要求進行校核、調整。
5
電動閥門的執行機構應能全程控制閥門的開啟與關閉。
檢查數量:安裝在主干管上起切斷作用的閉路閥門全數檢查,其他款項按Ⅰ方案。
檢查方法:按設計圖核對、觀察檢查;旁站或查閱試驗記錄。
9.2.5
補償器的安裝應符合下列規定:
1 補償器的補償量和安裝位置應符合設計文件的要求,并應根據設計計算的補償量進行預拉伸或預壓縮。
2
波紋管膨脹節或補償器內套有焊縫的一端,水平管路上應安裝在水流的流入端,垂直管路上應安裝在上端。
3
填料式補償器應與管道保持同心,不得歪斜。
4
補償器一端的管道應設置固定支架,結構形式和固定位置應符合設計要求,并應在補償器的預拉伸(或預壓縮)前固定。
5
滑動導向支架設置的位置應符合設計與產品技術文件的要求,管道滑動軸心應與補償器軸心相一致。
檢查數量:按Ⅰ方案。
檢查方法:觀察檢查,旁站或查閱補償器的預拉伸或預壓縮記錄。
9.2.6
水泵、冷卻塔的技術參數和產品性能應符合設計要求,管道與水泵的連接應采用柔性接管,且應為無應力狀態,不得有強行扭曲、強制拉伸等現象。
檢查數量:全數檢查。
檢查方法:按圖核對,觀察、實測或查閱水泵試運行記錄。
9.2.7
水箱、集水器、分水器與儲水罐的水壓試驗或滿水試驗應符合設計要求,內外壁防腐涂層的材質、涂抹質量、厚度應符合設計或產品技術文件的要求。
檢查數量:全數檢查。
檢查方法:尺量、觀察檢查,查閱試驗記錄。
9.2.8
蓄能系統設備的安裝應符合下列規定:
1 蓄能設備的技術參數應符合設計要求,并應具有出廠合格證、產品性能檢驗報告。
2
蓄冷(熱)裝置與熱能塔等設備安裝完畢后應進行水壓和嚴密性試驗,且應試驗合格。
3
儲槽、儲罐與底座應進行絕熱處理,并應連續均勻地放置在水平平臺上,不得采用局部墊鐵方法校正裝置的水平度。
4
輸送乙烯乙二醇溶液的管路不得采用內壁鍍鋅的管材和配件。
5
封閉容器或管路系統中的安全閥應按設計要求設置,并應在設定壓力情況下開啟靈活,系統中的膨脹罐應工作正常。
檢查數量:按Ⅰ方案。
檢查方法:旁站、觀察檢查和查閱產品與試驗記錄。
9.2.9
地源熱泵系統熱交換器的施工應符合下列規定:
1
垂直地埋管應符合下列規定:
1)鉆孔的位置、孔徑、間距、數量與深度不應小于設計要求,鉆孔垂直度偏差不應大于1.5%。
2)埋地管的材質、管徑應符合設計要求。埋管的彎管應為定型的管接頭,并應采用熱熔或電熔連接方式與管道相連接。直管段應采用整管。
3)下管應采用專用工具,埋管的深度應符合設計要求,且兩管應分離,不得相貼合。
4)回填材料及配比應符合設計要求,回填應采用注漿管,并應由孔底向上滿填。
5)水平環路集管埋設的深度距地面不應小于1.5m,或埋設于凍土層以下0.6m;供、回環路集管的間距應大于0.6m。
2
水平埋管熱交換器的長度、回路數量和埋設深度應符合設計要求。
3
地表水系統熱交換器的回路數量、組對長度與所在水面下深度應符合設計要求。
檢查數量:按Ⅰ方案。
檢查方法:測斜儀、尺量、目測,查閱材料驗收記錄。
9.3 一般項目
9.3.1
采用建筑塑料管道的空調水系統,管道材質及連接方法應符合設計和產品技術的要求,管道安裝尚應符合下列規定:
1
采用法蘭連接時,兩法蘭面應平行,誤差不得大于2mm。密封墊為與法蘭密封面相配套的平墊圈,不得突入管內或突出法蘭之外。法蘭連接螺栓應采用兩次緊固,緊固后的螺母應與螺栓齊平或略低于螺栓。
2
電熔連接或熱熔連接的工作環境溫度不應低于5℃環境。插口外表面與承口內表面應作小于0.2mm的刮削,連接后同心度的允許誤差應為2%;熱熔熔接接口圓周翻邊應飽滿、勻稱,不應有缺口狀缺陷、海綿狀的浮渣與目測氣孔。接口處的錯邊應小于10%的管壁厚。承插接口的插入深度應符合設計要求,熔融的包漿在承、插件間形成均勻的凸緣,不得有裂紋凹陷等缺陷。
3
采用密封圈承插連接的膠圈應位于密封槽內,不應有皺折扭曲。插入深度應符合產品要求,插管與承口周邊的偏差不得大于2mm。
檢查數量:按Ⅱ方案。
檢查方法:尺量、觀察檢查,驗證產品合格證書和試驗記錄。
9.3.2
金屬管道與設備的現場焊接應符合下列規定:
1
管道焊接材料的品種、規格、性能應符合設計要求。管道焊接坡口形式和尺寸應符合表9.3.2-1的規定。對口平直度的允許偏差應為1%,全長不應大于10mm。管道與設備的固定焊口應遠離設備,且不宜與設備接口中心線相重合。管道的對接焊縫與支、吊架的距離應大于50mm。
表9.3.2-1 管道焊接坡口形式和尺寸
2
管道現場焊接后,焊縫表面應清理干凈,并應進行外觀質量檢查。焊縫外觀質量應符合下列規定:
1)管道焊縫外觀質量允許偏差應符合表9.3.2-2的規定。
表9.3.2-2 管道焊縫外觀質量允許偏差
2)管道焊縫余高和根部凸出允許偏差應符合表9.3.2-3的規定。
表9.3.2-3 管道焊縫余高和根部凸出允許偏差(mm)
| 母材厚度T | ≤6 | >6,≤13 | >13,≤50 |
| 余高和根部凸出 | ≤2 | ≤4 | ≤5 |
3
設備現場焊縫外部質量應符合下列規定:
1)設備焊縫外觀質量允許偏差應符合表9.3.2-4的規定。
表9.3.2-4 設備焊縫外觀質量允許偏差
2)設備焊縫余高和根部凸出允許偏差應符合表9.3.2-5的規定。
表9.3.2-5 設備焊縫余高和根部凸出允許偏差(mm)
| 母材厚度T | ≤6 | >6,≤25 | >25 |
| 余高和根部凸出 | ≤2 | ≤4 | ≤5 |
檢查數量:按Ⅱ方案。
檢查方法:焊縫檢查尺尺量、觀察檢查。
9.3.3
螺紋連接管道的螺紋應清潔規整,斷絲或缺絲不應大于螺紋全扣數的10%。管道的連接應牢固,接口處的外露螺紋應為2扣~3扣,不應有外露填料。鍍鋅管道的鍍鋅層應保護完好,局部破損處應進行防腐處理。
檢查數量:按Ⅱ方案。
檢查方法:尺量、觀察檢查。
9.3.4
法蘭連接管道的法蘭面應與管道中心線垂直,且應同心。法蘭對接應平行,偏差不應大于管道外徑的1.5‰,且不得大于2mm。連接螺栓長度應一致,螺母應在同一側,并應均勻擰緊。緊固后的螺母應與螺栓端部平齊或略低于螺栓。法蘭襯墊的材料、規格與厚度應符合設計要求。
檢查數量:按Ⅱ方案。
檢查方法:尺量、觀察檢查。
9.3.5
鋼制管道的安裝應符合下列規定:
1 管道和管件安裝前,應將其內、外壁的污物和銹蝕清除干凈。管道安裝后應保持管內清潔。
2
熱彎時,彎制彎管的彎曲半徑不應小于管道外徑的3.5倍;冷彎時,不應小于管道外徑的4倍。焊接彎管不應小于管道外徑的1.5倍;沖壓彎管不應小于管道外徑的1倍。彎管的最大外徑與最小外徑之差,不應大于管道外徑的8%,管壁減薄率不應大于15%。
3
冷(熱)水管道與支、吊架之間,應設置襯墊。襯墊的承壓強度應滿足管道全重,且應采用不燃與難燃硬質絕熱材料或經防腐處理的木襯墊。襯墊的厚度不應小于絕熱層厚度,寬度應大于等于支、吊架支承面的寬度。襯墊的表面應平整、上下兩襯墊接合面的空隙應填實。
4
管道安裝允許偏差和檢驗方法應符合表9.3.5的規定。安裝在吊頂內等暗裝區域的管道,位置應正確,且不應有侵占其他管線安裝位置的現象。
表9.3.5 管道安裝允許偏差和檢驗方法

注:L為管道的有效長度(mm)。
檢查數量:按Ⅱ方案。
檢查方法:尺量、觀察檢查。
9.3.6
溝槽式連接管道的溝槽與橡膠密封圈和卡箍套應為配套,溝槽及支、吊架的間距應符合表9.3.6的規定。
表9.3.6 溝槽式連接管道的溝槽及支、吊架的間距
注:1
連接管端面應平整光滑、無毛刺;溝槽深度在規定范圍。
2 支、吊架不得支承在連接頭上。
3
水平管的任兩個連接頭之間應設置支、吊架。
檢查數量:按Ⅱ方案。
檢查方法:尺量、觀察檢查、查閱產品合格證明文件。
9.3.7
風機盤管機組及其他空調設備與管道的連接,應采用耐壓值大于或等于1.5倍工作壓力的金屬或非金屬柔性接管,連接應牢固,不應有強扭和癟管。冷凝水排水管的坡度應符合設計要求。當設計無要求時,管道坡度宜大于或等于8‰,且應坡向出水口。設備與排水管的連接應采用軟接,并應保持暢通。
檢查數量:按Ⅱ方案。
檢查方法:觀察、查閱產品合格證明文件。
9.3.8
金屬管道的支、吊架的形式、位置、間距、標高應符合設計要求。當設計無要求時,應符合下列規定:
1
支、吊架的安裝應平整牢固,與管道接觸應緊密,管道與設備連接處應設置獨立支、吊架。當設備安裝在減振基座上時,獨立支架的固定點應為減振基座。
2
冷(熱)媒水、冷卻水系統管道機房內總、干管的支、吊架,應采用承重防晃管架,與設備連接的管道管架宜采取減振措施。當水平支管的管架采用單桿吊架時,應在系統管道的起始點、閥門、三通、彎頭處及長度每隔15m處設置承重防晃支、吊架。
3
無熱位移的管道吊架的吊桿應垂直安裝,有熱位移的管道吊架的吊桿應向熱膨脹(或冷收縮)的反方向偏移安裝。偏移量應按計算位移量確定。
4
滑動支架的滑動面應清潔平整,安裝位置應滿足管道要求,支承面中心應向反方向偏移1/2位移量或符合設計文件要求。
5
豎井內的立管應每兩層或三層設置滑動支架。建筑結構負重允許時,水平安裝管道支、吊架的最大間距應符合表9.3.8的規定,彎管或近處應設置支、吊架。
6
管道支、吊架的焊接應符合本規范第9.3.2-3的規定。固定支架與管道焊接時,管道側的咬邊量應小于10%的管壁厚度,且小于1mm。
表9.3.8 水平安裝管道支、吊架的最大間距
注:1
適用于工作壓力不大于2.0MPa,不保溫或保溫材料密度不大于200kg/m3的管道系統。
2
L1用于保溫管道,L2用于不保溫管道。
3
潔凈區(室內)管道支吊架應采用鍍鋅或采取其他的防腐措施。
4
公稱直徑大于300mm的管道,可參考公稱直徑為300mm的管道執行。
檢查數量:按Ⅱ方案。
檢查方法:尺量、觀察檢查。
9.3.9
采用聚丙烯(PP-R)管道時,管道與金屬支、吊架之間應采取隔絕措施,不宜直接接觸,支、吊架的間距應符合設計要求。當設計無要求時,聚丙烯(PP-R)冷水管支、吊架的間距應符合表9.3.9的規定,使用溫度大于或等于60℃熱水管道應加寬支承面積。
表9.3.9 聚丙烯(PP-R)冷水管支、吊架的間距(mm)
檢查數量:按Ⅱ方案。
檢查方法:觀察檢查。
9.3.10
除污器、自動排氣裝置等管道部件的安裝應符合下列規定:
1
閥門安裝的位置及進、出口方向應正確且應便于操作。連接應牢固緊密,啟閉應靈活。成排閥門的排列應整齊美觀,在同一平面上的允許偏差不應大于3mm。
2
電動、氣動等自控閥門安裝前應進行單體調試,啟閉試驗應合格。
3
冷(熱)水和冷卻水系統的水過濾器應安裝在進入機組、水泵等設備前端的管道上,安裝方向應正確,安裝位置應便于濾網的拆裝和清洗,與管道連接應牢固嚴密。過濾器濾網的材質、規格應符合設計要求。
4
閉式管路系統應在系統最高處及所有可能積聚空氣的管段高點設置排氣閥,在管路最低點應設有排水管及排水閥。
檢查數量:按Ⅱ方案。
檢查方法:對照設計文件,尺量、觀察和操作檢查。
9.3.11
冷卻塔安裝應符合下列規定:
1
基礎的位置、標高應符合設計要求,允許誤差應為±20mm,進風側距建筑物應大于1m。冷卻塔部件與基座的連接應采用鍍鋅或不銹鋼螺栓,固定應牢固。
2
冷卻塔安裝應水平,單臺冷卻塔的水平度和垂直度允許偏差應為2‰。多臺冷卻塔安裝時,排列應整齊,各臺開式冷卻塔的水面高度應一致,高度偏差值不應大于30mm。當采用共用集管并聯運行時,冷卻塔集水盤(槽)之間的連通管應符合設計要求。
3
冷卻塔的集水盤應嚴密、無滲漏,進、出水口的方向和位置應正確。靜止分水器的布水應均勻;轉動布水器噴水出口方向應一致,轉動應靈活、水量應符合設計或產品技術文件的要求。
4
冷卻塔風機葉片端部與塔身周邊的徑向間隙應均勻。可調整角度的葉片,角度應一致,并應符合產品技術文件要求。
5
有水凍結危險的地區,冬季使用的冷卻塔及管道應采取防凍與保溫措施。
檢查數量:按Ⅱ方案。
檢查方法:尺量、觀察檢查,積水盤充水試驗或查閱試驗記錄。
9.3.12
水泵及附屬設備的安裝應符合下列規定:
1
水泵的平面位置和標高允許偏差應為±10mm,安裝的地腳螺栓應垂直,且與設備底座應緊密固定。
2
墊鐵組放置位置應正確、平穩,接觸應緊密,每組不應大于3塊。
3
整體安裝的泵的縱向水平偏差不應大于0.1‰,橫向水平偏差不應大于0.2‰。組合安裝的泵的縱、橫向安裝水平偏差不應大于0.05‰。水泵與電機采用聯軸器連接時,聯軸器兩軸芯的軸向傾斜不應大于0.2‰,徑向位移不應大于0.05mm。整體安裝的小型管道水泵目測應水平,不應有偏斜。
4
減振器與水泵及水泵基礎的連接,應牢固平穩、接觸緊密。
檢查數量:按Ⅱ方案。
檢查方法:扳手試擰、觀察檢查,用水平儀和塞尺測量或查閱設備安裝記錄。
9.3.13
水箱、集水器、分水器、膨脹水箱等設備安裝時,支架或底座的尺寸、位置應符合設計要求。設備與支架或底座接觸應緊密,安裝應平整牢固。平面位置允許偏差應為15mm,標高允許偏差應為±5mm,垂直度允許偏差應為1‰。
檢查數量:按Ⅱ方案。
檢查方法:尺量、觀察檢查,旁站或查閱試驗記錄。
9.3.14
補償器的安裝應符合下列規定:
1 波紋補償器、膨脹節應與管道保持同心,不得偏斜和周向扭轉。
2
填料式補償器應按設計文件要求的安裝長度及溫度變化,留有5mm剩余的收縮量。兩側的導向支座應保證運行時補償器自由伸縮,不得偏離中心,允許偏差應為管道公稱直徑的5‰。
檢查數量:全數檢查。
檢查方法:尺量、觀察檢查,旁站或查閱試驗記錄。
9.3.15
地源熱泵系統地埋管熱交換系統的施工應符合下列規定:
1 單U管鉆孔孔徑不應小于110mm,雙U管鉆孔孔徑不應小于140mm。
2
埋管施工過程中的壓力試驗,工作壓力小于或等于1.0MPa時應為工作壓力的1.5倍,工作壓力大于1.0MPa時應為工作壓力加0.5MPa,試驗壓力應全數合格。
3
埋地換熱管應按設計要求分組匯集連接,并應安裝閥門。
4
建筑基礎底下地埋水平管的埋設深度,應小于或等于設計深度,并應延伸至水平環路集管連接處,且應進行標識。
檢查數量:按Ⅱ方案。
檢查方法:尺量、觀察檢查,旁站或查閱試驗記錄。
9.3.16
地表水地源熱泵系統換熱器的長度、形式尺寸應符合設計要求,襯墊物的平面定位允許偏差應為200mm,高度允許偏差應為±50mm。綁扎固定應牢固。
檢查數量:按Ⅱ方案。
檢查方法:尺量、觀察檢查,旁站或查閱試驗記錄。
9.3.17
蓄能系統設備的安裝應符合下列規定:
1
蓄能設備(儲槽、罐)放置的位置應符合設計要求,基礎表面應平整,傾斜度不應大于5‰。同一系統中多臺蓄能裝置基礎的標高應一致,尺寸允許偏差應符合本規范第8.3.1條的規定。
2
蓄能系統的接管應滿足設計要求。當多臺蓄能設備支管與總管相接時,應順向插入,兩支管接入點的間距不宜小于5倍總管管徑長度。
3
溫度和壓力傳感器的安裝位置應符合設計要求,并應預留檢修空間。
4
蓄能裝置的絕熱材料與厚度應符合設計要求。絕熱層、防潮層和保護層的施工質量應符合本規范第10章的規定。
5
充灌的乙二醇溶液的濃度應符合設計要求。
6 現場制作鋼制蓄能儲槽等裝置時,應符合現行國家標準《立式圓筒形鋼制焊接儲罐施工規范》GB
50128、《鋼結構工程施工質量驗收規范》GB 50205和《現場設備、工業管道焊接工程施工規范》GB 50236的有關規定。
7
采用內壁保溫的水蓄冷儲罐,應符合相關絕熱材料的施工工藝和驗收要求。絕熱層、防水層的強度應滿足水壓的要求;罐內的布水器、溫度傳感器、液位指示器等的技術性能和安裝位置應符合設計要求。
8
采用隔膜式儲罐的隔膜應滿布,且升降應自如。
檢查數量:按Ⅱ方案。
檢查方法:觀察檢查,密度計檢測、旁站或查閱試驗記錄。
10 防腐與絕熱
10.1 一般規定
10.1.1
空調設備、風管及其部件的絕熱工程施工應在風管系統嚴密性檢驗合格后進行。
10.1.2
制冷劑管道和空調水系統管道絕熱工程的施工,應在管路系統強度和嚴密性檢驗合格和防腐處理結束后進行。
10.1.3
防腐工程施工時,應采取防火、防凍、防雨等措施,且不應在潮濕或低于5℃的環境下作業。絕熱工程施工時,應采取防火、防雨等措施。
10.1.4
風管、管道的支、吊架應進行防腐處理,明裝部分應刷面漆。
10.1.5 防腐與絕熱工程施工時,應采取相應的環境保護和勞動保護措施。
10.2 主控項目
10.2.1
風管和管道防腐涂料的品種及涂層層數應符合設計要求,涂料的底漆和面漆應配套。
檢查數量:按Ⅰ方案。
檢查方法:按面積抽查,查對施工圖紙和觀察檢查。
10.2.2
風管和管道的絕熱層、絕熱防潮層和保護層,應采用不燃或難燃材料,材質、密度、規格與厚度應符合設計要求。
檢查數量:按Ⅰ方案。
檢查方法:查對施工圖紙、合格證和做燃燒試驗。
10.2.3
風管和管道的絕熱材料進場時,應按現行國家標準《建筑節能工程施工質量驗收規范》GB
50411的規定進行驗收。
檢查數量:按Ⅰ方案。
檢查方法:按現行國家標準《建筑節能工程施工質量驗收規范》GB
50411的有關規定執行。
10.2.4
潔凈室(區)內的風管和管道的絕熱層,不應采用易產塵的玻璃纖維和短纖維礦棉等材料。
檢查數量:全數檢查。
檢查方法:觀察檢查。
10.3 一般項目
10.3.1
防腐涂料的涂層應均勻,不應有堆積、漏涂、皺紋、氣泡、摻雜及混色等缺陷。
檢查數量:按Ⅱ方案。
檢查方法:按面積或件數抽查,觀察檢查。
10.3.2
設備、部件、閥門的絕熱和防腐涂層,不得遮蓋銘牌標志和影響部件、閥門的操作功能;經常操作的部位應采用能單獨拆卸的絕熱結構。
檢查數量:按Ⅱ方案。
檢查方法:觀察檢查。
10.3.3
絕熱層應滿鋪,表面應平整,不應有裂縫、空隙等缺陷。當采用卷材或板材時,允許偏差應為5mm;當采用涂抹或其他方式時,允許偏差應為10mm。
檢查數量:按Ⅱ方案。
檢查方法:觀察檢查。
10.3.4
橡塑絕熱材料的施工應符合下列規定:
1 黏結材料應與橡塑材料相適用,無溶蝕被黏結材料的現象。
2
絕熱層的縱、橫向接縫應錯開,縫間不應有孔隙,與管道表面應貼合緊密,不應有氣泡。
3 矩形風管絕熱層的縱向接縫宜處于管道上部。
4
多重絕熱層施工時,層間的拼接縫應錯開。
檢查數量:按Ⅱ方案。
檢查方法:觀察檢查。
10.3.5
風管絕熱材料采用保溫釘固定時,應符合下列規定:
1
保溫釘與風管、部件及設備表面的連接,應采用黏結或焊接,結合應牢固,不應脫落;不得采用抽芯鉚釘或自攻螺絲等破壞風管嚴密性的固定方法。
2
矩形風管及設備表面的保溫釘應均布,風管保溫釘數量應符合表10.3.5的規定。首行保溫釘距絕熱材料邊沿的距離應小于120mm,保溫釘的固定壓片應松緊適度、均勻壓緊。
表10.3.5 風管保溫釘數量(個/m2)
| 隔熱層材料 | 風管底面 | 側面 | 頂面 |
| 鋁箔巖棉保溫板 | ≥20 | ≥16 | ≥10 |
| 鋁箔玻璃棉保溫板(氈) | ≥16 | ≥10 | ≥8 |
3
絕熱材料縱向接縫不宜設在風管底面。
檢查數量:按Ⅱ方案。
檢查方法:觀察檢查。
10.3.6
管道采用玻璃棉或巖棉管殼保溫時,管殼規格與管道外徑應相匹配,管殼的縱向接縫應錯開,管殼應采用金屬絲、黏結帶等捆扎,間距應為300mm~350mm,且每節至少應捆扎兩道。
檢查數量:按Ⅱ方案。
檢查方法:觀察檢查。
10.3.7
風管及管道的絕熱防潮層(包括絕熱層的端部)應完整,并應封閉良好。立管的防潮層環向搭接縫口應順水流方向設置;水平管的縱向縫應位于管道的側面,并應順水流方向設置;帶有防潮層絕熱材料的拼接縫應采用粘膠帶封嚴,縫兩側粘膠帶黏結的寬度不應小于20mm。膠帶應牢固地粘貼在防潮層面上,不得有脹裂和脫落。
檢查數量:按Ⅱ方案。
檢查方法:尺量和觀察檢查。
10.3.8
絕熱涂抹材料作絕熱層時,應分層涂抹,厚度應均勻,不得有氣泡和漏涂等缺陷,表面固化層應光滑牢固,不應有縫隙。
檢查數量:按Ⅱ方案。
檢查方法:觀察檢查。
10.3.9
金屬保護殼的施工應符合下列規定:
1 金屬保護殼板材的連接應牢固嚴密,外表應整齊平整。
2
圓形保護殼應貼緊絕熱層,不得有脫殼、褶皺、強行接口等現象。接口搭接應順水流方向設置,并應有凸筋加強,搭接尺寸應為20mm~25mm。采用自攻螺釘緊固時,螺釘間距應勻稱,且不得刺破防潮層。
3
矩形保護殼表面應平整,楞角應規則,圓弧應均勻,底部與頂部不得有明顯的凸肚及凹陷。
4
戶外金屬保護殼的縱、橫向接縫應順水流方向設置,縱向接縫應設在側面。保護殼與外墻面或屋頂的交接處應設泛水,且不應滲漏。
檢查數量:按Ⅱ方案。
檢查方法:尺量和觀察檢查。
10.3.10
管道或管道絕熱層的外表面,應按設計要求進行色標。
檢查數量:按Ⅱ方案。
檢查方法:觀察檢查。
11 系統調試
11.1 一般規定
11.1.1
通風與空調工程竣工驗收的系統調試,應由施工單位負責,監理單位監督,設計單位與建設單位參與和配合。系統調試可由施工企業或委托具有調試能力的其他單位進行。
11.1.2
系統調試前應編制調試方案,并應報送專業監理工程師審核批準。系統調試應由專業施工和技術人員實施,調試結束后,應提供完整的調試資料和報告。
11.1.3
系統調試所使用的測試儀器應在使用合格檢定或校準合格有效期內,精度等級及最小分度值應能滿足工程性能測定的要求。
11.1.4
通風與空調工程系統非設計滿負荷條件下的聯合試運轉及調試,應在制冷設備和通風與空調設備單機試運轉合格后進行。系統性能參數的測定應符合本規范附錄E的規定。
11.1.5
恒溫恒濕空調工程的檢測和調整應在空調系統正常運行24h及以上,達到穩定后進行。
11.1.6
凈化空調系統運行前,應在回風、新風的吸入口處和粗、中效過濾器前設置臨時無紡布過濾器。凈化空調系統的檢測和調整應在系統正常運行24h及以上,達到穩定后進行。工程竣工潔凈室(區)潔凈度的檢測應在空態或靜態下進行。檢測時,室內人員不宜多于3人,并應穿著與潔凈室等級相適應的潔凈工作服。
11.2 主控項目
11.2.1
通風與空調工程安裝完畢后應進行系統調試。系統調試應包括下列內容:
1 設備單機試運轉及調試。
2
系統非設計滿負荷條件下的聯合試運轉及調試。
檢查數量:按Ⅰ方案。
檢查方法:觀察、旁站、查閱調試記錄。
11.2.2
設備單機試運轉及調試應符合下列規定:
1
通風機、空氣處理機組中的風機,葉輪旋轉方向應正確、運轉應平穩、應無異常振動與聲響,電機運行功率應符合設備技術文件要求。在額定轉速下連續運轉2h后,滑動軸承外殼最高溫度不得大于70℃,滾動軸承不得大于80℃。
2
水泵葉輪旋轉方向應正確,應無異常振動和聲響,緊固連接部位應無松動,電機運行功率應符合設備技術文件要求。水泵連續運轉2h滑動軸承外殼最高溫度不得超過70℃,滾動軸承不得超過75℃。
3
冷卻塔風機與冷卻水系統循環試運行不應小于2h,運行應無異常。冷卻塔本體應穩固、無異常振動。冷卻塔中風機的試運轉尚應符合本條第1款的規定。
4
制冷機組的試運轉除應符合設備技術文件和現行國家標準《制冷設備、空氣分離設備安裝工程施工及驗收規范》GB
50274的有關規定外,尚應符合下列規定:
1)機組運轉應平穩、應無異常振動與聲響;
2)各連接和密封部位不應有松動、漏氣、漏油等現象;
3)吸、排氣的壓力和溫度應在正常工作范圍內;
4)能量調節裝置及各保護繼電器、安全裝置的動作應正確、靈敏、可靠;
5)正常運轉不應少于8h。
5
多聯式空調(熱泵)機組系統應在充灌定量制冷劑后,進行系統的試運轉,并應符合下列規定:
1)系統應能正常輸出冷風或熱風,在常溫條件下可進行冷熱的切換與調控;
2)室外機的試運轉應符合本條第4款的規定;
3)室內機的試運轉不應有異常振動與聲響,百葉板動作應正常,不應有滲漏水現象,運行噪聲應符合設備技術文件要求;
4)具有可同時供冷、熱的系統,應在滿足當季工況運行條件下,實現局部內機反向工況的運行。
6
電動調節閥、電動防火閥、防排煙風閥(口)的手動、電動操作應靈活可靠,信號輸出應正確。
7
變風量末端裝置單機試運轉及調試應符合下列規定:
1)控制單元單體供電測試過程中,信號及反饋應正確,不應有故障顯示;
2)啟動送風系統,按控制模式進行模擬測試,裝置的一次風閥動作應靈敏可靠;
3)帶風機的變風量末端裝置,風機應能根據信號要求運轉,葉輪旋轉方向應正確,運轉應平穩,不應有異常振動與聲響;
4)帶再熱的末端裝置應能根據室內溫度實現自動開啟與關閉。
8
蓄能設備(能源塔)應按設計要求正常運行。
檢查數量:第3、4、8款全數,其他按Ⅰ方案。
檢查方法:調整控制模式,旁站、觀察、查閱調試記錄。
11.2.3
系統非設計滿負荷條件下的聯合試運轉及調試應符合下列規定:
1
系統總風量調試結果與設計風量的允許偏差應為—5%~+10%,建筑內各區域的壓差應符合設計要求。
2
變風量空調系統聯合調試應符合下列規定:
1)系統空氣處理機組應在設計參數范圍內對風機實現變頻調速;
2)空氣處理機組在設計機外余壓條件下,系統總風量應滿足本條文第1款的要求,新風量的允許偏差應為0~+10%;
3)變風量末端裝置的最大風量調試結果與設計風量的允許偏差應為0~+15%;
4)改變各空調區域運行工況或室內溫度設定參數時,該區域變風量末端裝置的風閥(風機)動作(運行)應正確;
5)改變室內溫度設定參數或關閉部分房間空調末端裝置時,空氣處理機組應自動正確地改變風量;
6)應正確顯示系統的狀態參數。
3
空調冷(熱)水系統、冷卻水系統的總流量與設計流量的偏差不應大于10%。
4 制冷(熱泵)機組進出口處的水溫應符合設計要求。
5
地源(水源)熱泵換熱器的水溫與流量應符合設計要求。
6
舒適空調與恒溫、恒濕空調室內的空氣溫度、相對濕度及波動范圍應符合或優于設計要求。
檢查數量:第1、2款及第4款的舒適性空調,按Ⅰ方案;第3、5、6款及第4款的恒溫、恒濕空調系統,全數檢查。
檢查方法:調整控制模式,旁站、觀察、查閱調試記錄。
11.2.4
防排煙系統聯合試運行與調試后的結果,應符合設計要求及國家現行標準的有關規定。
檢查數量:全數檢查。
檢查方法:觀察、旁站、查閱調試記錄。
11.2.5
凈化空調系統除應符合本規范第11.2.3條的規定外,尚應符合下列規定:
1
單向流潔凈室系統的系統總風量允許偏差應為0~+10%,室內各風口風量的允許偏差應為0~+15%。
2
單向流潔凈室系統的室內截面平均風速的允許偏差應為0~+10%,且截面風速不均勻度不應大于0.25。
3
相鄰不同級別潔凈室之間和潔凈室與非潔凈室之間的靜壓差不應小于5Pa,潔凈室與室外的靜壓差不應小于10Pa。
4
室內空氣潔凈度等級應符合設計要求或為商定驗收狀態下的等級要求。
5
各類通風、化學實驗柜、生物安全柜在符合或優于設計要求的負壓下運行應正常。
檢查數量:第3款,按Ⅰ方案;第1、2、4、5款,全數檢查。
檢查方法:檢查、驗證調試記錄,按本規范附錄E進行測試校核。
11.2.6
蓄能空調系統的聯合試運轉及調試應符合下列規定:
1 系統中載冷劑的種類及濃度應符合設計要求。
2
在各種運行模式下系統運行應正常平穩;運行模式轉換時,動作應靈敏正確。
3 系統各項保護措施反應應靈敏,動作應可靠。
4
蓄能系統在設計最大負荷工況下運行應正常。
5
系統正常運轉不應少于一個完整的蓄冷釋冷周期。
檢查數量:全數檢查。
檢查方法:觀察、旁站、查閱調試記錄。
11.2.7
空調制冷系統、空調水系統與空調風系統的非設計滿負荷條件下的聯合試運轉及調試,正常運轉不應少于8h,除塵系統不應少于2h。
檢查數量:全數檢查。
檢查方法:觀察、旁站、查閱調試記錄。
11.3 一般項目
11.3.1
設備單機試運轉及調試應符合下列規定:
1
風機盤管機組的調速、溫控閥的動作應正確,并應與機組運行狀態一一對應,中檔風量的實測值應符合設計要求。
2
風機、空氣處理機組、風機盤管機組、多聯式空調(熱泵)機組等設備運行時,產生的噪聲不應大于設計及設備技術文件的要求。
3
水泵運行時殼體密封處不得滲漏,緊固連接部位不應松動,軸封的溫升應正常,普通填料密封的泄漏水量不應大于60mL/h,機械密封的泄漏水量不應大于5mL/h。
4
冷卻塔運行產生的噪聲不應大于設計及設備技術文件的規定值,水流量應符合設計要求。冷卻塔的自動補水閥應動作靈活,試運轉工作結束后,集水盤應清洗干凈。
檢查數量:第1、2款按Ⅱ方案;第3、4款全數檢查。
檢查方法:觀察、旁站、查閱調試記錄,按本規范附錄E進行測試校核。
11.3.2
通風系統非設計滿負荷條件下的聯合試運行及調試應符合下列規定:
1
系統經過風量平衡調整,各風口及吸風罩的風量與設計風量的允許偏差不應大于15%。
2
設備及系統主要部件的聯動應符合設計要求,動作應協調正確,不應有異常現象。
3
濕式除塵與淋洗設備的供、排水系統運行應正常。
檢查數量:按Ⅱ方案。
檢查方法:按本規范附錄E進行測試,校核檢查、查驗調試記錄。
11.3.3
空調系統非設計滿負荷條件下的聯合試運轉及調試應符合下列規定:
1
空調水系統應排除管道系統中的空氣,系統連續運行應正常平穩,水泵的流量、壓差和水泵電機的電流不應出現10%以上的波動。
2
水系統平衡調整后,定流量系統的各空氣處理機組的水流量應符合設計要求,允許偏差應為15%;變流量系統的各空氣處理機組的水流量應符合設計要求,允許偏差應為10%。
3
冷水機組的供回水溫度和冷卻塔的出水溫度應符合設計要求;多臺制冷機或冷卻塔并聯運行時,各臺制冷機及冷卻塔的水流量與設計流量的偏差不應大于10%。
4
舒適性空調的室內溫度應優于或等于設計要求,恒溫恒濕和凈化空調的室內溫、濕度應符合設計要求。
5
室內(包括凈化區域)噪聲應符合設計要求,測定結果可采用Nc或dB(A)的表達方式。
6
環境噪聲有要求的場所,制冷、空調設備機組應按現行國家標準《采暖通風與空氣調節設備噪聲聲功率級的測定 工程法》GB 9068的有關規定進行測定。
7
壓差有要求的房間、廳堂與其他相鄰房間之間的氣流流向應正確。
檢查數量:第1、3款全數檢查,第2款及第4款~第7款,按Ⅱ方案。
檢查方法:觀察、旁站、用儀器測定、查閱調試記錄。
11.3.4
蓄能空調系統聯合試運轉及調試應符合下列規定:
1 單體設備及主要部件聯動應符合設計要求,動作應協調正確,不應有異常。
2
系統運行的充冷時間、蓄冷量、冷水溫度、放冷時間等應滿足相應工況的設計要求。
3 系統運行過程中管路不應產生凝結水等現象。
4
自控計量檢測元件及執行機構工作應正常,系統各項參數的反饋及動作應正確、及時。
檢查數量:全數檢查。
檢查方法:旁站觀察、查閱調試。
11.3.5
通風與空調工程通過系統調試后,監控設備與系統中的檢測元件和執行機構應正常溝通,應正確顯示系統運行的狀態,并應完成設備的連鎖、自動調節和保護等功能。
檢查數量:按Ⅱ方案。
檢查方法:旁站觀察,查閱調試記錄。
12 竣工驗收
12.0.1
通風與空調工程竣工驗收前,應完成系統非設計滿負荷條件下的聯合試運轉及調試,項目內容及質量要求應符合本規范第11章的規定。
12.0.2
通風與空調工程的竣工驗收應由建設單位組織,施工、設計、監理等單位參加,驗收合格后應辦理竣工驗收手續。
12.0.3
通風與空調工程竣工驗收時,各設備及系統應完成調試,并可正常運行。
12.0.4
當空調系統竣工驗收時因季節原因無法進行帶冷或熱負荷的試運轉與調試時,可僅進行不帶冷(熱)源的試運轉,建設、監理、設計、施工等單位應按工程具備竣工驗收的時間給予辦理竣工驗收手續。帶冷(熱)源的試運轉應待條件成熟后,再施行。
12.0.5
通風與空調工程竣工驗收資料應包括下列內容:
1 圖紙會審記錄、設計變更通知書和竣工圖。
2
主要材料、設備、成品、半成品和儀表的出廠合格證明及進場檢(試)驗報告。
3 隱蔽工程驗收記錄。
4
工程設備、風管系統、管道系統安裝及檢驗記錄。
5 管道系統壓力試驗記錄。
6 設備單機試運轉記錄。
7
系統非設計滿負荷聯合試運轉與調試記錄。
8 分部(子分部)工程質量驗收記錄。
9 觀感質量綜合檢查記錄。
10
安全和功能檢驗資料的核查記錄。
11 凈化空調的潔凈度測試記錄。
12 新技術應用論證資料。
12.0.6
通風與空調工程各系統的觀感質量應符合下列規定:
1
風管表面應平整、無破損,接管應合理。風管的連接以及風管與設備或調節裝置的連接處不應有接管不到位、強扭連接等缺陷。
2
各類閥門安裝位置應正確牢固,調節應靈活,操作應方便。
3
風口表面應平整,顏色應一致,安裝位置應正確,風口的可調節構件動作應正常。
4
制冷及水管道系統的管道、閥門及儀表安裝位置應正確,系統不應有滲漏。
5
風管、部件及管道的支、吊架形式、位置及間距應符合設計及本規范要求。
6 除塵器、積塵室安裝應牢固,接口應嚴密。
7
制冷機、水泵、通風機、風機盤管機組等設備的安裝應正確牢固;組合式空氣調節機組組裝順序應正確,接縫應嚴密;室外表面不應有滲漏。
8
風管、部件、管道及支架的油漆應均勻,不應有透底返銹現象,油漆顏色與標志應符合設計要求。
9
絕熱層材質、厚度應符合設計要求,表面應平整,不應有破損和脫落現象;室外防潮層或保護殼應平整、無損壞,且應順水流方向搭接,不應有滲漏。
10
消聲器安裝方向應正確,外表面應平整、無損壞。
11 風管、管道的軟性接管位置應符合設計要求,接管應正確牢固,不應有強扭。
12
測試孔開孔位置應正確,不應有遺漏。
13
多聯空調機組系統的室內、室外機組安裝位置應正確,送、回風不應存在短路回流的現象。
檢查數量:按Ⅱ方案。
檢查方法:尺量、觀察檢查。
12.0.7
凈化空調系統的觀感質量檢查除應符合本規范第12.0.6條的規定外,尚應符合下列規定:
1
空調機組、風機、凈化空調機組、風機過濾器單元和空氣吹淋室等的安裝位置應正確,固定應牢固,連接應嚴密,允許偏差應符合本規范有關條的規定。
2
高效過濾器與風管、風管與設備的連接處應有可靠密封。
3 凈化空調機組、靜壓箱、風管及送回風口清潔不應有積塵。
4
裝配式潔凈室的內墻面、吊頂和地面應光滑平整,色澤應均勻,不應起灰塵。
5
送回風口、各類末端裝置以及各類管道等與潔凈室內表面的連接處密封處理應可靠嚴密。
檢查數量:按Ⅰ方案。
檢查方法:尺量、觀察檢查。